Infineon Technologies EVAL-1ED3890Mx12M Evaluierungsboard
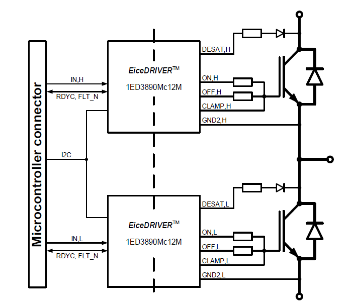
Das Infineon Technologies EVAL-1ED3890Mx12M Evaluierungsboard ist zur Evaluierung des Funktionsumfangs und der Fähigkeiten der 1ED3890MC12M oder 1ED3890MU12M Gate-Treiber-ICs ausgelegt. Die 1ED38x0Mc12M-Produktfamilie (X3 Digital) besteht aus galvanisch getrennten Einkanal-Gate-Treiber-ICs in einem kleinen PG-DSO-16-Gehäuse mit einer großen Kriechstrecke und einer Luftstrecke von 8 mm. Die Gate-Treiber-ICs bieten einen typischen Spitzenausgangsstrom von 3 A, 6 A und 9 A.Das EVAL-1ED3890Mx12M Evaluierungsboard von Infineon wird mit unbestückten TO-247-Transistor-Footprints geliefert. Das Board verfügt über eine Größe von 85 mm x 85 mm x 15 mm3, ohne dass Leistungsschalter zusammengebaut sind.
Merkmale
- Absolute maximale Ausgangsversorgungsspannung: 40 V
- Quellen- und Senken-Gate-Strombelastbarkeit: ±9 A (typisch)
- Separater Quell- und Senken-Ausgang für optimierte Gate-Ansteuerung
- Einstellbare Klemme/Klemmtreiber/ADC-Pin
- I2C-Bus für die Parameteranpassung, Status- und Fehlerrückmeldung, ADC-Messungen und Zustandsüberwachung
- Zwei präzise VCE(sat)-Erkennungsschaltungen (DESAT2) mit Fehlerausgang, einstellbarer Vorderkanten-Austastzeit und individuell einstellbaren Auslösespannungen, Filterzeiten
- Zweistufige Abschaltung (TLTO) mit einstellbaren Flanken, Plateauzeit und Plateauniveau
- Wählbare Abschaltung: harte Abschaltung und zweistufige Abschaltung
- Einstellbares sanftes Ausschalten nach Entsättigungserkennung
- Anpassbarer Eingangsfilter
- Hardware-Unterspannungssperre (UVLO) mit Hysterese für die Eingangsseite
- Einstellbare Hardware-UVLO mit Hysterese für IGBTs und MOSFETs auf sowohl VCC2- als auch VEE2-Schienen mit aktiver Abschaltung
- Einstellbare Software-UVLO für eine genaue Versorgungsspannungsüberwachung auf sowohl VCC2- als auch VEE2-Schienen
- ADC-Messung von internen Parametern: Versorgungsspannungen und interne Temperatur
- Pin-Zustandsmeldung über I2C und Fehler
- Interne Zähler für DESAT- oder UVLO-Ereignisse
- Gate-Treiber-Betrieb bei hoher Umgebungstemperatur von bis zu 125 °C mit Übertemperatur-Abschaltung bei 160 °C
(±10 °C) - Enge IC-zu-IC-Laufzeitverzögerungsanpassung (tPDD, max. = 30 ns)
- Unterspannungssperre mit Hysterese für Eingangs- und Ausgangsseite mit aktiver Abschaltung
- Hohe flüchtige Gleichtaktsicherheit CMTI = 200 kV/μs
- Kleines platzsparendes DSO-16-Gehäuse mit feinem Rastermaß und großer Kriechstrecke (>8 mm)
- Gate-Treiber-Sicherheitszertifizierung:
- UL 1577-anerkannt (geplant) mit VISO, Prüfung = 6840 V (rms) für 1 s, VISO = 5.700 V (rms) für 60 s
- IEC 60747-17/VDE 0884-11-Zulassung (geplant) mit VIORM = 1,767 kV (Spitze, verstärkt)
Blockdiagramm
Veröffentlichungsdatum: 2021-06-14
| Aktualisiert: 2023-03-08
