Broadcom ACHS-719x Stromsensor-ICs
Broadcom ACHS-719x Stromsensor-ICs gehören zur vollständig integrierten Hall-Effekt-basierten isolierten Linearstromsensor-Produktfamilie. Diese Bauteile sind für AC- oder DC-Strommessungen in Industrie-, Gewerbe- und Kommunikationssystemen ausgelegt. Die ACHS-719x Stromsensor-ICs bestehen aus einer präzisen Linear-Hall-Schaltung mit geringem Offset und einem Kupferleitungspfad, der sich in der Nähe der Oberfläche des Chips befindet. Der angelegte Strom, der durch diesen Kupferleitungspfad fließt, erzeugt ein magnetisches Feld, das den Differential-Hall-IC in eine proportionale Spannung umwandelt. Die Genauigkeit der Stromsensor-ICs ist über die Betriebsumgebungstemperatur durch die unmittelbare Nähe des magnetischen Signals zu den Hall-Sensoren optimiert.Die ICs haben einen internen Leiterwiderstand von 0,7 mΩ (typisch), einen rauscharmen analogen Signalpfad und eine extrem stabile Ausgangs-Offset-Spannung. Diese Stromsensor-ICs werden mit einer einzelnen Versorgungsspannung von 5 V innerhalb eines Temperaturbereichs von -40 °C bis +110 °C betrieben. Die Leistung der ACHS-719x ICs wird in einem kompakten, SO-8-Gehäuse zur Oberflächenmontage geliefert, das weltweite regulatorische Sicherheitsstandards erfüllt. Zu den typischen Applikationen gehören eBikes, Motorphasen-/Schienenstrommessung, Solar-Wechselrichter, Ladegeräte/Wandler und Schaltnetzteile.
Merkmale
- Ausgangsspannung proportional zu AC- oder DC-Strömen
- Ratiometrischer Ausgang von der Versorgungsspannung
- Einzelversorgungsbetrieb: 5 V
- Interner Leiterwiderstand: 0,7 mΩ (typisch)
- Messstrombereich: ±10 A bis ±50 A
- Ausgangs-Empfindlichkeitsbereich: 40 mV/A bis 185 mV/A
- Rauscharmer Analog-Signalpfad
- Offsetspannung mit extrem stabilem Ausgang
- Die Bandbreite des Bauteils wird über den FILTER-Pin, die typische Bandbreite von 80 kHz mit dem 1 nF Filterkondensator eingestellt
- Werksseitig getrimmt für Genauigkeit
- Magnetische Hysterese von beinahe Null
- Maximaler Ausgangsfehler von ±6,0 % über den Betrieb TA
- Hohe flüchtige Gleichtaktsicherheit von mehr als 25 kV/μs
- -40 °C bis +110 °C Betriebstemperaturbereich
- SO-8-Gehäuse mit kleinem Footprint und niedrigem Profil
- Zulassung: UL/cUL und IEC/EN 62368-1 (Viorm = 567 VSpitze)
- 3 kVrms Isolationsspannung für 1 Minute
Applikationen
- Stromsparende Wechselrichter-Strommessung
- eBikes
- Motorphasen- und Schienenstromsensoren
- Solarwechselrichter
- Ladegeräte und Wandler
- Schaltnetzteile
Applikations-Schaltung
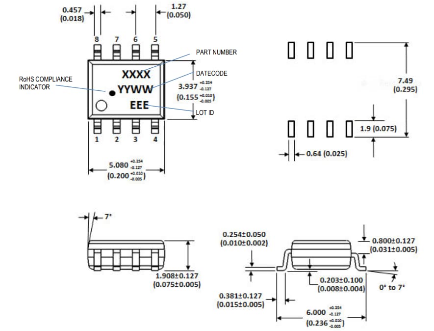
Abmessungen
Veröffentlichungsdatum: 2020-10-27
| Aktualisiert: 2024-03-26
