Analog Devices Inc. LT3074 Dropout-Linear-Regler
Analog Devices Inc. LT3074 Dropout-Linearregler sind rauscharme Regler mit niedriger Spannung und ultra-schnellem Einschwingverhalten und serieller PMBus-Schnittstelle. Diese Regler werden vom LTPowerPlay Software-Development Tool mit einer grafischen Benutzeroberfläche (GUI) unterstützt. Die LT3074 Regler unterstützen eine PMBus-konforme serielle Schnittstelle für Steuerung, Telemetrie und Fehlermeldungen, die im Frequenzbereich von 10 kHz bis 400 kHz betrieben werden. Diese Regler liefern einen Präzisionsreferenzstrom von 100µA an den SETRES-Pin. Die LT3074 Regler verfügen über eine Tracking-Funktion (VIOC) zur Steuerung des vorgeschalteten Schaltreglers, um eine konstante Spannung zu gewährleisten. Diese Regler liefern bis zu 3 A mit einer typischen Dropout-Spannung von 45 mV. Die LT3074 Regler verfügen über programmierbare Strombegrenzungen, eine schnelle Startfunktion und eine programmierbare gute Leistung.Die LT3074 Regler sind als Präzisionsstromquelle konzipiert, gefolgt von einem leistungsstarken Verstärker mit einem Verstärkungsfaktor Eins. Diese Regler können parallel geschaltet werden, um das Rauschen zu reduzieren, den Ausgangsstrom zu verbessern und die Wärme auf der PCB zu verteilen. Die LT3074 Regler sind in einem 22-Pin-LQFN-Gehäuse (3 mm x 4 mm) erhältlich. Diese Regler werden in rauscharmen Instrumenten, hochpräzisen Datenwandlern, HF-Netzteilen und medizinischen Applikationen eingesetzt.
Merkmale
- 1,2 µVRMS (10 Hz bis 100 kHz) ultra-niedriges RMS-Rauschen
- 3,5 nV/√Hz unter 10 kHz ultra-niedriges Punktrauschen
- 7 µVP-P (0,1 Hz bis 10 Hz) ultra-niedriges 1/f-Rauschen
- 52 dB bei 1 MHz hoher PSRR bei hoher Frequenz
- Stabil mit Keramik-Ausgangskondensatoren (10 μF Minimum)
- Mehrere parallelgeschaltete Bauteile für höheren Strom
- Ultra-schnelles Einschwingverhalten
- Dropout-Spannung: 45 mV (typisch)
- Erhältlich in einem 22-Pin-LQFN-Gehäuse (3 mm x 4 mm) (Laminatgehäuse mit QFN-Footprint)
- PMBus-Fähigkeit:
- VOUT, IOUT, VIN, VBIAS und Temperaturberichte
- VOUT -Margining
- IOUT Überstrom- und Unterstromwarngrenzen
- VOUT, VIN und VBIAS Unterspannungs- und Überspannungswarngrenzen
- Warngrenze für Übertemperatur
- VIOC-Pin zur Steuerung des vorgeschalteten Schaltwandlers
Applikationen
- HF-Netzteile:
- PLLs und VCOs
- Mischer
- LNAs und PAs
- Hochgeschwindigkeits-/Hochpräzisions-Datenwandler
- Rauscharme Messgeräte
- Nachgeschalteter Regler für Schaltnetzteile
- FPGA- und DSP-Stromversorgungen
- Medizinische Anforderungen
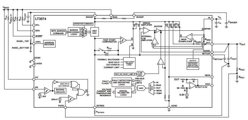
Funktionales Blockdiagramm
Applikationsdiagramm
Veröffentlichungsdatum: 2025-01-28
| Aktualisiert: 2025-10-09
