Vishay Semiconductors VOMA617A Optokoppler
Der Vishay VOMA617A Optokoppler bietet ein hohes Stromübersetzungsverhältnis, eine geringe Kopplungskapazität und eine hohe Isolierspannung. Der VOMA617A verfügt über eine GaAIAS-Infrarot-Sendediode, die mit einem Silizium-Planar-Fototransistor-Detektor gekoppelt ist. Der VOMA617A Optokoppler ist für die Signalübertragung zwischen zwei elektrisch getrennten Schaltkreisen ausgelegt und ist vor allem in Automobil-Applikationen sowie Industrieapplikationen, die eine hohe Zuverlässigkeit erfordern, zu finden. VOMA617A Optokoppler sind in einem kompakten SOP-4 Gehäuse mit niedrigem Profil untergebracht und eignen sich hervorragend für platzbeschränkte Designs.Merkmale
- AEC-Q101-qualifiziert
- Hohes CTR mit niedrigem Eingangsstrom
- SOP-Gehäuse mit niedrigem Profil
- Hohe Kollektor-Emitter-Spannung: VCEO = 80 V
- Isolier-Testspannung = 3.750 VRMS
- Geringe Kopplungskapazität
- Betriebstemperaturbereich: -40 °C bis 110 °C
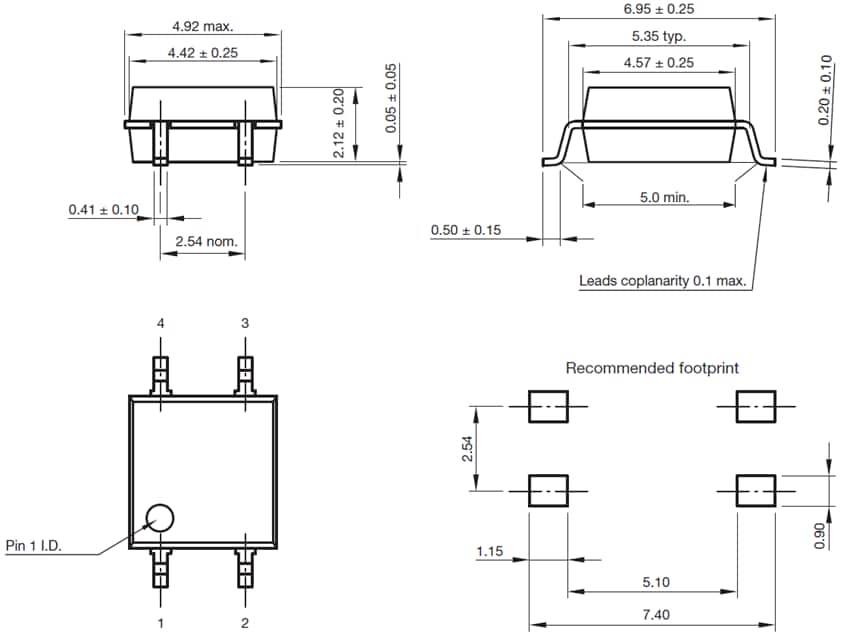
- Gehäuse: 4-SOP
- Bleifrei, halogenfrei und RoHS-konform
- Zulassungen:
- UL1577
- cUL 1577
- DIN EN 60747-5-5 (VDE 0884-5)
- CQC GB4943.1-2011 (ausstehend)
Applikationen
- Galvanische und Rauschisolierung
- Signalübertragung
- Hybrid- und Elektrofahrzeug-Applikationen
- Batteriemanagement
- 48 V Boardnetz
- Systemsteuerung
Videos
Gehäuseabmessungen
Additional Resource
Veröffentlichungsdatum: 2018-05-08
| Aktualisiert: 2024-03-01
