Vishay VO2223B Optokoppler
Die VO2223 Optokoppler sind optisch gekoppelte Fototriacs, die integrierte Leistungs-TRIACs ansteuern. Diese Optokoppler verfügen über eine galvanische und elektrische Rauschisolierung und können mit einem Eingangssignal mit niedriger Spannung mittlere AC-Lasten direkt ansteuern. Die VO2223B Optokoppler bieten eine hohe Sperrspannung von 600 V, die eine Steuerung von Off-Line-Spannungen von bis 230 VAC ermöglicht und für bis zu 380 VAC ausreicht. Zu den typischen Applikationen gehören Klimaanlagen, Mikrowellenöfen, Waschmaschinen und Kühlschränke.Merkmale
- Vollständig integrierter TRIAC
- Verzinnte Leitungen
- Gehäuse
- DIP-8 für VO2223B und VO2223B-X001
- SMD-8 für VO2223B-X007T und VO2223B-X017T
Technische Daten
- 5.300 VRMS Isolier-Testspannung
- Maximaler Zündstrom von 10 mA
- Laststrom von 1 ARMS
- 600 V/μskritische Anstiegsrate der Sperrspannung (dV/dt)
- 2,5 mA bis 10 mA Eingangs-Triggerstrom
- 10 μA max. Sperrstrom
- 0,9 V bis 1,4 V Durchlassspannung
- 1,7 V Spitzen-Durchlassspannung
- 100 μA Spitzensperrstrom
- 25 mA maximaler Haltestrom
Applikationen
- Klimaanlagen
- Mikrowellenöfen
- Waschmaschinen
- Kühlschränke
- Heizlüfter
- Kochherd mit induktiver Erwärmung
- Wassererhitzer
- Industrieausrüstung
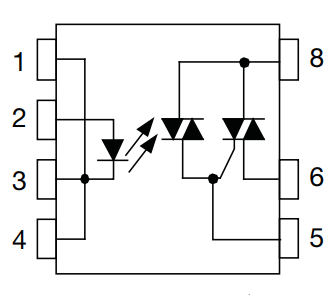
Vishay VO2223B Optokoppler mit interner Schaltung
Veröffentlichungsdatum: 2018-04-11
| Aktualisiert: 2022-03-10
