Toshiba TB9103FTG Gate-Treiber-IC
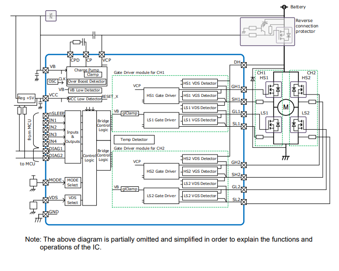
Der Toshiba TB9103FTG Gate-Treiber-IC ist ein Einkanal-H-Brücken-Gate-Treiber und ein Zweikanal-Halbbrücken-Gate-Treiber für Fahrzeuganwendungen. Dieser Gate-Treiber von Toshiba enthält eine Ladungspumpenschaltung und verwendet einen externen n-Typ-MOSFET. Der Funktionsumfang ist optimiert, um sich auf das Ein- und Ausschalten des Motors zu konzentrieren, wodurch er kompakt wird. Der TB9103FTG eignet sich für Motorantriebs-Applikationen mit Verriegelung, einschließlich Schiebetüren und Hintertüren. Darüber hinaus eignet sich der IC hervorragend für Motorantriebsapplikationen in Fenstern, Spiegeln und Sitzen.Merkmale
- Ausgestattet mit Halbbrücken- und H-Brücken-Steuerungsmodi
- Kann als unabhängige Zweikanal-Halbbrücken-Totzeitsteuerung (Überwachung von VGS) und Abschaltsteuerung für jeden Kanal verwendet werden
- Kann als H-Brücke verwendet werden, indem Halbbrücken kombiniert werden – Totzeit-Steuerung und Abschaltsteuerung als H-Brücke
- Schlafmodus mit geringem Stromverbrauch
- Ausgestattet mit verschiedenen Fehlererkennungen
- VB Unterspannungserkennung, VCC UnterspannungsErkennung, VCP- Überspannungserkennung
- Gate-Quellen-Spannungserkennung, Gate-Fehlerspannungsabschaltung
- Drain-Source-Spannungserkennung (kann Erkennungsstufen festlegen), Überstromabschaltung
- Überhitzungserkennung, Abschaltung
- Benachrichtigung vom Open-Drain-Ausgangspin, wenn ein Fehler erkannt wird
- Betriebsspannungsbereich
- 7 V bis 18 V (V B)
- 4,5 V bis 5,5 V (VCC)
- Eingangsspannung 40 V
- Integrierte 2 x Aufwärts-Ladungspumpenschaltung, die Logikpegel-Gate-FETs ansteuern kann
- Qualifiziert gemäß AEC-Q100 Klasse 1
- VQFN24-Gehäuse von 4 mm2
Applikationen
- Elektrische Hintertüren
- Elektrische Schiebetüren
- Fensterheber
- Leistungssitze
Vereinfachtes Blockdiagramm
DC-Motorsteuerungsschaltung
Videos
Veröffentlichungsdatum: 2025-03-18
| Aktualisiert: 2025-09-16
