Texas Instruments TRF3705 300MHz to 4GHz Quadrature Modulator
Texas Instruments TRF3705 300MHz to 4GHz Quadrature Modulator

 Produktliste ansehen

Zusätzliche Ressourcen

Texas Instruments TRF3705 300MHz bis 4GHz Quadratur-Modulator

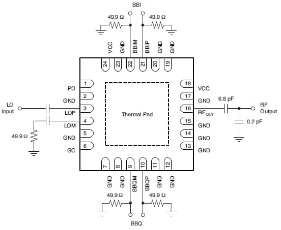
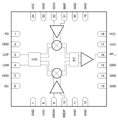
Der  TRF3705 300MHz bis 4GHz rauscharme direkte Quadratur-Modulator von Texas Instruments kann komplexe modulierte Signale von Basisband oder IF direkt in RF umwandeln. TI TRF3705 Quadratur-Modulator ist ein leistungsstarkes Gerät mit überlegener Linearität, das sich ideal zur Umwandlung in RF-Frequenzen von 300MHz eignet. Der Modulator ist als ein doppel-balancierter Mischer implementiert. Der RF-Ausgangsblock besteht aus einem differential-zu-single-ended Wandler, der eine unsymmetrische 50-Ω Last antreiben kann. Der TI TRF3705 erfordert 0.25V Gleichtaktspannung für optimale Linearitätsleistung. TI TRF3705 Quadratur-Modulator bietet außerdem eine Pin mit schnellem Abschaltverhalten, die zur Reduktion der Verlustleistung in TDD-Anwendungen genutzt werden kann. Das TRF3705EVM Evaluationsmodul wurde entwickelt für die Evaluation des TRF3705 Quadratur-Modulators zum direkten Starten für Anwendungen im Übertragungspfad von Basisstationen und Kommunikationsequipment.

TRF3705 Features
  • Hohe Linearität:
  • Ausgang IP3: 30dBm bei 1850MHz
  • Geringes Ausgangsgrundrauschen: -160dBm/Hz
  • 78dBc Single-Carrier WCDMA ACPR bei -10dBm Kanal Power
  • Unbereinigte Trägerfrequenzunterdrückung: -40dBm
  • Unbereinigte Seitenbandunterdrückung: -45dBc
  • Einzeleinspeisung: 3.3V Betrieb
  • 1-Bit Gain Step Kontrolle
  • Schnelles Ein/Ausschalten
TRF3705EVM Features
  • Der TRF3705EVM ist für differentielle I/Q Eingangssignale via vier SMA-Verbinder konfiguriert
  • Das RF-Ausgangssignal vom Quadratur-Modulator kann via SMA-Verbinder überwacht werden
  • Das LO-Signal wird auch durch ein SMA-Verbinder geleistet
Anwendungen
  • Mobilfunk-Sendemasten
  • CDMA: IS95, UMTS, CDMA2000, TD-SCDMA
  • LTE (Langfristige Entwicklung)
  • TDMA: GSM, EDGE/UWC-136
  • Multicarrier-GSM (MC-GSM)
  • Wireless MAN Breitband-Sendeempfänger
  • Texas Instruments
Veröffentlichungsdatum: 2012-03-09 | Aktualisiert: 2024-01-15