Texas Instruments TPS92401 LED-Punkt-Controller
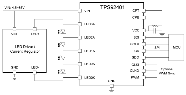
TPS92401 LED-Punkt-Controller von Texas Instruments sind 4-Kanal, 5 A LED-Bauteile mit integrierten PWM-Shunt-FETs, einer SPI-Schnittstelle und einer adaptiven Konfiguration. Diese LED-Treiber enthalten eine Reihe von 4 in Reihe geschalteten integrierten Shunt-FETs, von denen jede eine einzelne LED mit PWM dimmt. Die TPS92401 Punkt-Controller enthalten einen internen Oszillator für einen Systemtakt, der einen integrierten PWM-Generator mit bis zu 16 Bit und einer programmierbaren PWM-Frequenz von bis zu 60 kHz ermöglicht. Diese LED-Punkt-Controller bieten eine PWM-Dimmsteuerung von Konstantstromreglern und ermöglichen eine mehrkanalige Stromeinsparung zur Steigerung der Dimm-Effizienz bei geringer Helligkeit. Die Bauteile TPS92401 sind ideal für Bühnen- und Fotobeleuchtung, chirurgische Beleuchtung, LED-Arrays für industrielle Bildverarbeitung und IP-Kameras, WLED-Beleuchtung mit kaltem/hellem Licht, 3D-Druck und industrielle Transportanwendungen.Merkmale
- 4,5 V bis 65 V breiter Eingangsspannungsbereich
- Gemeinsame Anode oder Kathode der LED
- 4 integrierte PWM-Nebenschluss-FETs:
- 5 A FET maximaler Dauerstrom
- Interner 32 MHz Oszillator für PWM-Generator
- Programmierbare 16-Bit, >20 kHz PWM-Dimmung
- SPI-Schnittstelle und adaptive Konfiguration:
- Bis zu 5 MHz SPI-Takt für die Datenübertragung
- Stern- und Daisy-Chain-Verbindung
- Stapeln Sie bis zu 4 Geräte für 16-LED string
- Verbesserte EMI-Leistung
- Programmierbare PWM-Anstiegsrate
- Programmierbare PWM-Flankenverschiebung
- Interne Ladungspumpe mit Spreizspektrum
- Vollständige Schutzfunktionen:
- LED-Öffnungserkennung und Schutz
- LED-Kurzschlusserkennung
- Shunt FET offen Erkennung
- Programmierbare offene LED-Spannung
- Thermische Warnung
- Optionaler Energiesparmodus:
- PWM-Ausgang zur Steuerung von LED-Treibern
- Stromsparender Standby-Modus
- VQFN-36-Gehäuse
Applikationen
- Beleuchtung für Bühne und Fotografie
- Chirurgische Beleuchtung
- LED-Array für industrielle Bildverarbeitung und IP-Kameras
- Kalt/warm- WLED-Beleuchtung
- 3D-Druck
- Industrieller Transport
Applikations-Schaltung
Veröffentlichungsdatum: 2025-01-08
| Aktualisiert: 2025-01-28
