Texas Instruments TPS73801 Low-Dropout-Regler

TPS73801 Low-Dropout-Regler (LDO) vonTexas Instruments sind für ein schnelles Einschwingverhalten optimiert. Die LDOs liefern einen Ausgangsstrom von 1.0 A und eine 300 mV Dropout-Spannung.

Das Bauteil verfügt über 1 mA Ruhestrom, der bei Abschaltung auf weniger als 1 µA fällt. Der Ruhestrom ist im TPS73801 gut geregelt, da er nicht wie bei vielen anderen Reglern im Dropout ansteigt. Zusätzlich zu einem schnellen Einschwingverhalten bieten die TPS73801-Regler sehr niedriges Ausgangsrauschen und eignen sich hervorragend für empfindliche HF-Versorgungsapplikationen.

Die TPS73801 Regler von TI sind mit Ausgangskondensatoren von nur 10 µF und einem Ausgangsspannungsbereich von 1,21 V bis 20 V stabil. Im Gegensatz zu den meisten Reglern können kleine Keramikkondensatoren ohne den erforderlichen ESR verwendet werden.

Interne Schutzschaltungen umfassen Batterie-Verpolungsschutz, Strombegrenzung, thermische Begrenzung und Sperrstromschutz. Das TPS73801 wird als einstellbares Bauteil mit einer Referenzspannung von 1,21 V bereitgestellt. Die TPS73801-Regler sind in 6-Pin-TO-223-Gehäusen (DCQ) ausgelegt.

Merkmale

  • Optimiert für schnelles Einschwingverhalten
  • 1.0 A Ausgangsstrom
  • 300 mV Dropout-Spannung
  • 45 µVRMS (10Hz bis 100kHz) rauscharm
  • 1 mA Ruhestrom
  • Keine Schutzdioden erforderlich
  • Geregelter Ruhestrom im Dropout
  • Einstellbare Ausgangsspannung: 1,21 V bis 20 V
  • Weniger als 1 µA Ruhestrom bei Abschaltung
  • Stabil mit 10 µF Ausgangskondensator
  • Stabil mit Keramikkondensatoren
  • Batterie-Verpolungsschutz
  • Kein Rückstrom
  • Thermische Begrenzung

Applikationen

  • 3,3 V bis 2,5 V Logik-Netzteile
  • Nachgeschalteter Regler für Schaltnetzteile
  • Tragbare/batteriebetriebene Geräte

Videos

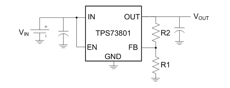
Vereinfachtes Schaltbild

Schaltplan - Texas Instruments TPS73801 Low-Dropout-Regler

Funktionales Blockdiagramm

Blockdiagramm - Texas Instruments TPS73801 Low-Dropout-Regler
Veröffentlichungsdatum: 2024-12-10 | Aktualisiert: 2025-01-22