Texas Instruments TPS546B25/TPS546B25W Synchrone Abwärtswandler
Texas Instruments TPS546B25/TPS546B25W Synchrone Abwärtswandler sind hochintegrierte stapelbare Abwärtswandler mit D-CAP4-Steuertopologie für ein schnelles Einschwingverhalten. Diese Wandler unterstützen einen Eingangsspannungsbereich von 4 V bis 18 V (bis zu 2,7 V mit externer Vorspannung) und bieten einphasige oder gestapelte Konfigurationen von 2x, 3x oder 4x. Die TPS546B25/TPS546B25W Wandler verfügen über eine PMBus 1.5-Konformität und bieten eine umfangreiche Telemetrie, einschließlich Spannung, Strom und Temperatur. Diese Abwärtswandler arbeiten in einem Betriebsfrequenzbereich von 400 kHz bis 2 MHz (vier diskrete Einstellungen über eine Stiftleiste, zusätzliche Einstellungen sind über denPMBus®verfügbar). Zu den weiteren Funktionen gehören eine programmierbare interne Schleifenkompensation, eine wählbare Strombegrenzung für die Zyklus-für-Zyklus-Talstrombegrenzung und ein Open-Drain-Power-Good-Ausgang. Die TPS546B25/TPS546B25W Abwärtswandler sind bleifreie Bauteile, die ausnahmslos RoHs-konform sind. Typische Applikationen umfassen Server- und Cloud-Computing-POLs, Hardwarebeschleuniger und Netzwerkschnittstellenkarten (NICs).Merkmale
- Eingangsspannungsbereich von 2,7 V bis 18 V mit externer Vorspannung
- Eingangsspannungsbereich von 4 V bis 18 V ohne externe Vorspannung
- Ausgangsspannungsbereich von 0,4 V bis 5,5 V
- Unterstützt 25 A Einzelphase oder 2 x, 3 x oder 4 x gestapelte Konfigurationen
- Rdson_HS = 2,6 mΩ, Rdson_LS = 1 mΩ
- Betriebsfrequenz von 400 kHz bis 2 MHz (vier diskrete Einstellungen über die Stiftklemme, zusätzliche Einstellungen über PMBus®)
- PMBus-programmierbar:
- Revision 1,5 ist mit der Sicherheitsfunktion PASSSCHLÜSSEL kompatibel.
- Eingangsspannung Ausgangsspannung, Ausgangsstrom, Temperaturtelemetrie
- Programmierbarer Überstrom- Überspannungs- Unterspannungs- und Übertemperaturschutz
- Beinhaltet eine Einzelbefehlsschreibfunktion in gestapelter Bauform
- Erweiterte Schreibschutzfunktion
- Nichtflüchtiger Speicher zur Speicherung der Konfigurationseinstellungen
- Zwei Methoden zum Programmieren der Ausgangsspannung:
- Interner Widerstandsteiler (diskrete Einstellungen) mit Hochlaufspannung, die durch ein pin-strapping ausgewählt wird
- Externer Widerstandsteiler (kontinuierliche Einstellungen) mit einer von VBOOT ausgewählten Hochlaufspannung
- Präzisions-Spannungsreferenz und differenzielle Fernerkennung für hohe Ausgangsgenauigkeit:
- DAC-Genauigkeit von ±0,5 % von einer Sperrschichttemperatur von 0 °C bis +85 °C
- ±0,85 % VOUT-Toleranz bei einer Sperrschichttemperatur von –40 °C bis +125 °C
- Wählbarer FCCM/DCM nur in Einzelphase
- Inbetriebnahme ohne PmBus-Kommunikation durch Pin-Strapping
- Sicherer Start in vorgespanntem Ausgang
- 0,5 ms bis 16 ms programmierbare Sanftanlauf
- D-CAP4 - Steuertopologie mit schneller Einschwingverhalten, die alle keramischen Ausgangskondensatoren unterstützt
- Programmierbare interne Schleifenkompensation
- Wählbare Zyklus-für-Zyklus-Senkstrombegrenzung
- Open-Drain-Power-Good-Ausgang
Applikationen
- Server- und Cloud-Computing-POLs
- Hardwarebeschleuniger
- Netzwerk Schnittstellen- Karte (NIC)
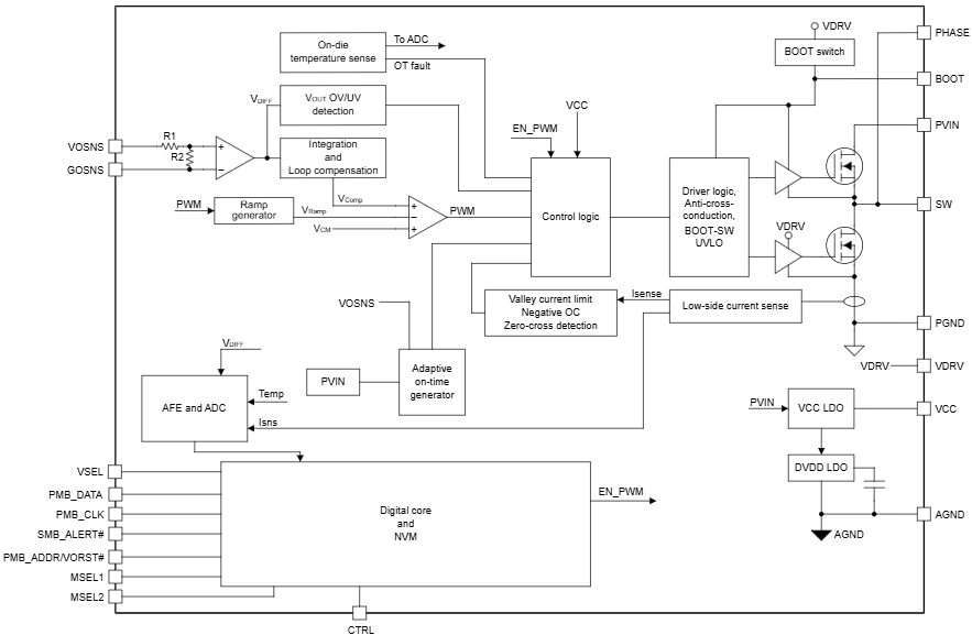
Blockdiagramm, wenn externes Feedback ausgewählt ist
Blockdiagramm, wenn internes Feedback ausgewählt ist
Typische Effizienzkurve
Veröffentlichungsdatum: 2025-11-04
| Aktualisiert: 2025-12-01
