Texas Instruments TPD1E01B04 ESD-Schutzdiode
Die Texas Instruments TPD1E01B04 ESD-Schutzdiode ist ein bidirektionales TVS-ESD-Schutzdiodenarray für den Einsatz als USB-Typ-C- und Thunderbolt-3-Schaltkreisschutz. Die TPD1E01B04 verfügt über eine Einstufung, um ESD-Entladungen über dem in der internationalen Norm IEC61000-4-2 (Level 4) angegebenen Höchstwert abzuleiten. Dieses Gerät bietet eine IO-Kapazität von (typ.) 0,18 pF pro Kanal und eignet sich dadurch ideal zum Schutz von Hochgeschwindigkeitsschnittstellen bis 20 Gbps Gen2 und Thunderbolt 3. Der niedrige dynamische Widerstand und die geringe Klemmspannung sorgen für den Schutz vor Transienten auf Systemebene.Merkmale
- IEC 61000-4-2 Level 4 ESD protection
- ±15kV contact discharge
- ±17kV air gap discharge
- IEC 61000-4-4 EFT protection
- 80A (5/50ns)
- IEC 61000-4-5 surge protection
- 2.5A (8/20µs)
- IO capacitance
- 0.18pF (typ.)
- 0.2pF (max.)
- 6.4V (typ.) DC breakdown voltage:
- 10nA (max.) ultra-low leakage current
- 15V at 16A TLP low ESD clamping voltage
- 26.9GHz (–3dB Bandwidth) low insertion loss
- Supports high-speed interfaces up to 20Gbps
- –40°C to +125°C industrial temperature range
- Offered in the industry standard 0201 (DPL) package and 0402 (DPY) package
Applikationen
- Interfaces
- USB Type-C
- Thunderbolt 3
- USB 3.1 Gen 2
- HDMI 2.0/1.4
- USB 3.0
- DisplayPort 1.3
- PCI Express 3
- End Equipment
- Laptops and Desktops
- Mobile and Tablets
- Set-Top Boxes
- TV and Monitors
- USB Dongles
- Docking Stations
Datasheets
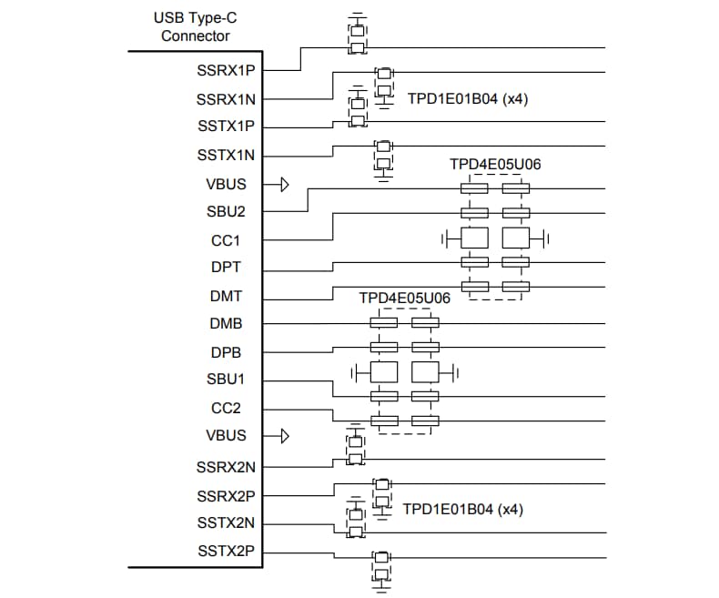
Typical Application
Veröffentlichungsdatum: 2016-07-15
| Aktualisiert: 2022-03-11
