Texas Instruments TDP1204 Pegelwandler-Hybrid-Redriver
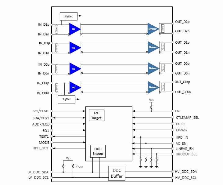
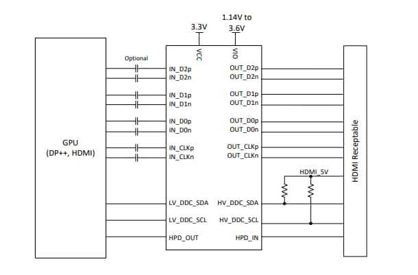
Texas Instruments TDP1204 mit HDMI™ 2.1 DC/AC-gekoppelte Pegelwandler-Hybrid-Redriver liefern Datenraten von bis zu 12 GBit/s und sind rückwärtskompatibel mit HDMI 1.4b und HDMI 2.0b. Die vielseitigen Redriver bieten Hochgeschwindigkeits-Differentialeingänge und -ausgänge, die entweder AC- oder DC-gekoppelt sind, was den TDP1204 für die Verwendung als DP++ zum HDMI-Pegelwandler oder HDMI-Redriver qualifiziert. Der TDP1204 bietet 3- und 4-spurige HDMI 2.1 FRL bei 3, 6, 8, 10 und 12 GBit/s.Die TDP1204 Pegelwandler-Hybrid-Redriver von TI unterstützen sowohl Quellen- als auch Senkenapplikationen und können entweder in einer linearen oder begrenzten Redriver-Funktion betrieben werden. Wenn sie als begrenzter Redriver konfiguriert sind, sind die Differential-Ausgangsspannungspegel unabhängig von den Ausgangspegeln der Grafikprozessoreinheit (GPU) und gewährleisten HDMI-konforme Pegel an der Anschlussbuchse. Durch die Integration des Pegelwandlers werden diskrete Lösungen überflüssig und damit Systemkosten gespart.
Der TDP1204 unterstützt einzelne Stromversorgungsschienen von 3,3 V auf VCC und wird für kommerzielle (TDP1204) und Industrietemperaturen (TDP1204I) angeboten.
Merkmale
- AC- oder DC-gekoppelter Ein- und Ausgang mit Unterstützung für HDMI-2.0-Datenraten von bis zu 12 GBit/s
- Rückwärtskompatibel mit HDMI 1.4b und HDMI 2.0b
- HDMI 2.1 Fixed Rate Link (FRL) von 3, 6, 8, 10 und 12 GBit/s
- Unterstützt HDMI 2.1 drei- und vierspuriger FRL
- Optimiert für HDMI-Quellenapplikationen
- Programmierbarer Empfänger-Equalizer von bis zu 12 dB bei 6 GHz
- I2C- oder Pin-Strapping-programmierbar
- Integrierter HPD-Level-Shifter, der sowohl 1,8 V als auch 3,3 V LVCMOS-Pegel unterstützt
- Integrierter DDC-Buffer mit Unterstützung von bis zu 1,2-V-Pegeln
- Vollständiger Spurwechsel auf Hauptleitungen
- Digital Display Control (DDC) Snooping-Funktion für die Verbindungskonfiguration
- Geringer Stromverbrauch:
- 575 mW 12G-FRL, vier Leitungen aktiv begrenzt
- 220 mW 12G-FRL, vier Leitungen aktiv linear
- Abschaltstrom: 0,6 mW
- Erhältlich für kommerzielle und Industrietemperaturen
- Einzel-Stromversorgung: 3,3 V
- 40-Pin-WQFN-Gehäuse von 4 mm × 6 mm mit einem Rastermaß von 0,4 mm
Applikationen
- Notebooks und Desktops
- Fernseher
- Heimkino und Unterhaltung
- Spielsysteme
- Dockingstationen
- Pro Audio, Video und Beschilderung
Vereinfachter Schaltplan
Blockdiagramm
Veröffentlichungsdatum: 2022-07-29
| Aktualisiert: 2023-04-03
