Texas Instruments TCA9509 Level Translating I²C / SMBus Bus Repeater

TI TCA9509 Level Translating I²C / SMBus-Repeater

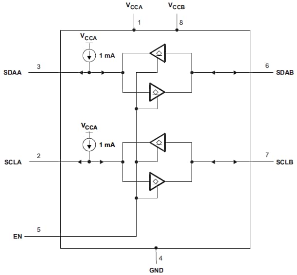
Der Texas Instruments TCA9509 ist ein I²C Bus / SMBus-Repeater für den Einsatz in I²C / SMBussystemen. Der TCA9509 Bus-Repeater von TI kann außerdem bidirektionale Spannungsebenenverschiebung (Auf- / Abverschiebung) zwischen niedrigen Spannungen (bis hinab zu 0.9V) und höheren Spannungen (2.7V bis 5.5V) in Mixed-Mode-Anwendungen leisten. Diese Gerät ermöglicht I²C und ähnlichen Bussystemen Erweiterungen ohne Leistungseinbußen, sogar während des Level Shiftings. Der TI TCA9509 puffert sowohl die Serial Data (SDA) als auch die Serial Clock (SCL) Signale auf dem I²C-Bus, was 400pF Bus-Kapazität auf der B-Side erlaubt. Dieses TI Gerät kann auch zur Isolation zweier Hälften eines Bus für Spannung und Kapazität genutzt werden. Der TCA9509 Bus-Repeater hat zwei Arten von Treibern - A-Side- und B-Side-Treiber. Alle Eingänge und B-Side-I/Os sind tolerant gegen Überspannung bis 5.5V. Die A-Side-I/Os sind tolerant gegen Überspannung bis 5.5V, wenn das Gerät ohne eigene Stromversorgung ist (VCCB und/oder VCCA=0V).

Features
  • Zweikanalige bidirektionale Puffer
  • I²C-Bus- und SMBus-kompatibel
  • Versorgungsspannungsbereich von 2.7 V bis 5.5 V auf der B-Side
  • Betriebsspannungsbereich von 0.9 V bis VCCB - 1V auf der A-Side
  • Spannungsebenenverschiebung von 0.9 V bis (VCCB - 1V) und 2.7 V bis 5.5 V
  • Aktiv-hoher Repeater-Freigabeeingang
  • Erfordert keine externen Pull-up-Widerstände auf dem Port-A mit niedrigerer Spannung
  • Open-Drain I²C I/O
  • 5.5-V toleranter I²C und Freigabeeingang unterstützt Mixed-Mode-Signalbetrieb
  • Lockup-freier Betrieb
  • Nimmt Standard- und Fast Mode-I²C-Geräte und mehrere Master auf
  • Unterstützt Arbitration und Clock Stretching durch den Repeater
  • Hochimpedanz-I²C Bus-Pins ohne eigene Stromversorgung
  • Unterstützt 400kHz schnelle I²C Busbetrieb-Geschwindigkeiten

Funktionales Blockdiagramm
Functional Block Diagram
  • Texas Instruments
Veröffentlichungsdatum: 2012-01-30 | Aktualisiert: 2022-03-11