Texas Instruments SN74HCS572/SN74HCS72-Q1 Flip-Flops des D-Typs

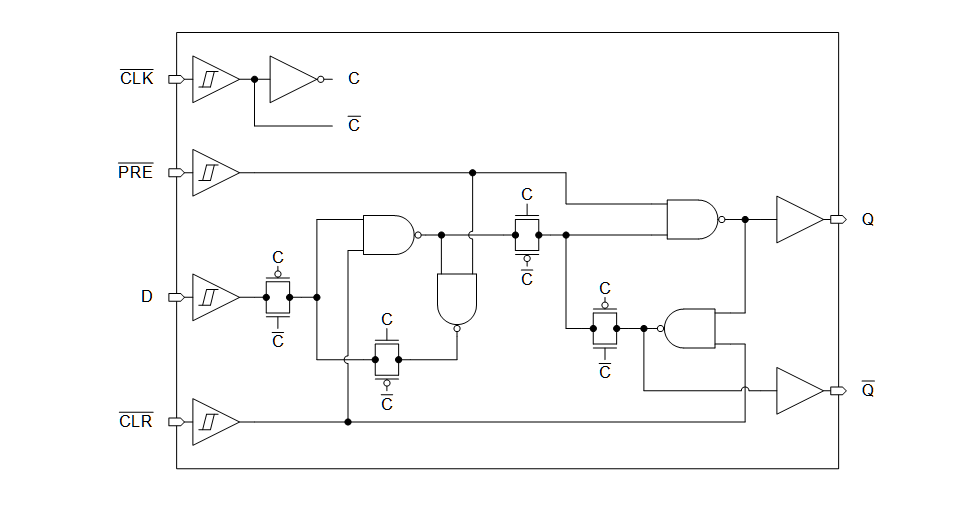
Texas Instruments SN74HCS572/SN74HCS72-Q1 Automotive-Flip-Flops des D-Typs enthalten Schmitt-Trigger, die langsame oder laute Eingangssignale ermöglichen. Ein niedriger Pegel am voreingestellten (PRE) Eingang stellt den Ausgang auf hoch ein. Ein niedriger Pegel am CLR-Eingang (Clear, CLR) setzt den Ausgang auf niedrig zurück. Die asynchronen Setz- und Rücksetzfunktionen sind nicht von den Pegeln der anderen Eingänge abhängig.

Wenn PRE und CLR auf dem Bauteil inaktiv (hoch) sind, erfüllen die Daten am Daten(D)-Eingang die Einstellungszeitanforderungen und werden zu den Ausgängen (Q, Q) auf dem Negativ-Going-Edge des Taktimpulses (CLK) übertragen. Im Anschluss an das Haltezeitintervall können Daten im D-Dateneingang geändert werden, ohne dass das Niveau am Ausgang (Q, Q) beeinträchtigt wird. Die SN74HCS72-Q1 Bauteile sind gemäß AEC-Q100 für Fahrzeuganwendungen zugelassen.

Merkmale

  • Großer Betriebsspannungsbereich: 2 V bis 6 V
  • Schmitt-Trigger-Eingänge ermöglichen langsame oder verrauschte Eingangssignale
  • Ausgangsantrieb bei 5 V: ±7,8 mA
  • Geringer Stromverbrauch
    • ICC von 100 nA (typisch)
    • Typischer Eingangsableitstrom: ±100 nA

Applikationen

  • Umwandlung eines Tasters in einen Kippschalter
  • Eingabe von langsamen Edge-Raten-Signalen
  • Betrieb in lauten Umgebungen
  • Freigabe-CAN-Controller-Leistung mit Aktivierungsmuster

Vorteile von Schmitt-Trigger-Eingängen

Tabelle - Texas Instruments SN74HCS572/SN74HCS72-Q1 Flip-Flops des D-Typs

Blockdiagramm

Blockdiagramm - Texas Instruments SN74HCS572/SN74HCS72-Q1 Flip-Flops des D-Typs
Veröffentlichungsdatum: 2019-11-25 | Aktualisiert: 2024-02-07