Texas Instruments SN74HCS595-Q1 Automotive-8-Bit-Schieberegister
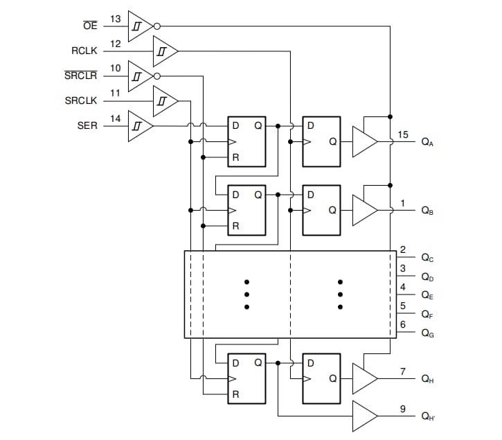
Das Texas Instruments SN74HCS595-Q1 Automotive-8-Bit-Schieberegister ist ein Bauteil, das ein 8-Bit-Schieberegister mit seriellem Eingang und parallelem Ausgang enthält. Das Register versorgt ein 8-Bit-Speicherregister des D-Typs. Alle Eingänge enthalten Schmitt-Trigger, wodurch fehlerhafte Datenausgänge aufgrund von langsamen oder verrauschten Eingangssignalen eliminiert werden. Das Speicherregister hat parallele 3-Stufen-Ausgänge. Separate Taktgeber sowohl für das Schiebe- wie auch das Speicherregister sind im Lieferumfang enthalten.Merkmale
- AEC-Q101-qualifiziert für Fahrzeuganwendungen:
- Temperaturklasse 1: -40 °C bis +125 °C TA
- HBM-ESD-Bauteilklassifikation Stufe 2
- CDM-ESD-Bauteilklassifikation Stufe C6
- Großer Betriebsspannungsbereich: 2 V bis 6 V
- Schmitt-Trigger-Eingänge ermöglichen langsame oder verrauschte Eingangssignale
- Geringer Stromverbrauch
- ICC von 100 nA (typisch)
- Typischer Eingangsableitstrom von ±100 nA
- Ausgangsantrieb bei 5 V: ±7,8 mA
Applikationen
- Ausgangserweiterung
- LED-Matrix-Steuerung
- 7-Segment-Display-Steuerung
- 8-Bit-Datenspeicher
Datasheets
Blockdiagramm
Veröffentlichungsdatum: 2019-12-23
| Aktualisiert: 2024-02-13
