Texas Instruments SN74AHCT595/SN74AHCT595-Q1 8-Bit-Schieberegister
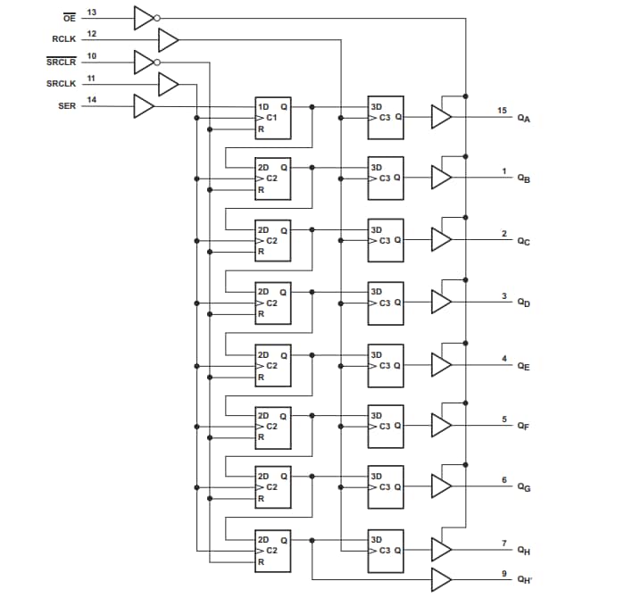
Die 8-Bit-Schieberegister SN74AHCT595/SN74AHCT595-Q1 von Texas Instruments enthalten ein 8-Bit-Schieberegister mit seriellem Eingang und parallelem Ausgang, das ein 8-Bit-Speicherregister des Typs D bietet. Der Schieberegistertakt (SRCLK) und der Speicherregistertakt (RCLK) werden mit positiver Flanke ausgelöst. Die SN74AHCT595-Q1 von TI sind gemäß AEC-Q100 für Fahrzeuganwendungen zugelassen.Merkmale
- Gemäß AEC-Q100 für Fahrzeuganwendungen zugelassen (SN74AHCT595-Q1):
- Gerätetemperaturklasse 1 von -40 °C bis +125 °C
- HBM-ESD-Bauteilklassifikation Stufe 2
- Geräte-CDM-ESD-Klassifizierungsstufe C4B
- Verfügbar im QFN-Gehäuse mit benetzbaren Flanken
- Betriebsbereich 4,5 V bis 5,5 VCC
- TTL-kompatible Eingänge
- Geringe Verzögerung, 6 ns typ. (25 °C, 5 V)
- Latch-up-Leistung übersteigt 250 mA gemäß JESD 17
Applikationen
- Netzwerkschalter
- Stromversorgungs-Infrastrukturen
- PCs und Notebooks
- LED-Displays
- Server
Datenblätter
Vereinfachtes Schaltbild
Weitere Ressourcen
Veröffentlichungsdatum: 2024-07-19
| Aktualisiert: 2025-05-08
