Texas Instruments SN74ACT165/-Q1 Schieberegister
Die SN74ACT165/-Q1 Schieberegister von Texas Instruments ermöglichen das asynchrone parallele Laden von Eingängen innerhalb von acht Schieberegistern. Das Bauteil verfügt über einen seriellen Dateneingang zur Verkettung. Die Schieberegister verfügen über eine Taktunterdrückung und invertierte Ausgangspins, was eine hohe Flexibilität beim Systemdesign ermöglicht.Die SN74ACT165/SN74ACT165-Q1 Register von TI eignen sich ideal zur Erhöhung der Anzahl der Eingänge eines Mikrocontrollers und bei Board-Revisionen.
Die SN74ACT165-Q1 Bauteile sind AEC-Q100-qualifiziert für Fahrzeuganwendungen.
Merkmale
- AEC-Q1 00-qualifiziert für Fahrzeuganwendungen:
- Gerätetemperaturklasse 1: -40 °C bis +125 °C
- Bauelement HBM ESD -Klassifizierungsstufe 2
- Bauelement CDM ESD -Klassifizierungsstufe C4B
- Verfügbar in einem benetzbaren Flanken-QFN-Gehäuse
- Betriebsspannung Bereich von 4,5 V bis 5,5 V
- TTL-kompatible Eingänge
- Kontinuierlicher Ausgangsstrom von ±24 mA bei 5 V
- Unterstützt einen Ausgangsantrieb von bis zu ±75 mA bei 5 V in kurzen Bursts
- Steuert 50Q-Übertragungsleitungen an
- Schneller Betrieb mit einer Verzögerung von maximal 12,4 ns bei 5 V
Applikationen
- Höhere Anzahl der Eingänge auf einem Mikrocontroller
- Read-in-Board-Revision
Datenblätter
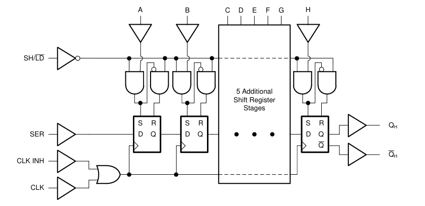
Funktionales Blockdiagramm
Veröffentlichungsdatum: 2026-01-12
| Aktualisiert: 2026-01-20
