Texas Instruments LP8872-Q1 LED-Hintergrundbeleuchtungstreiber
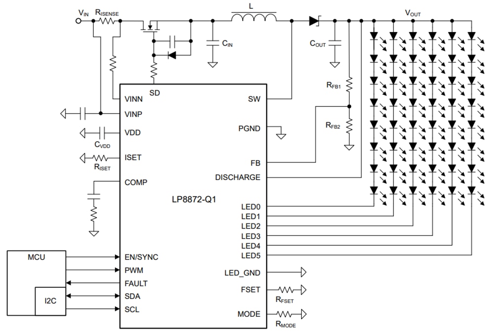
Der LED-Hintergrundbeleuchtungstreiber LP8872-Q1 von Texas Instruments ist ein hocheffizienter, benutzerfreundlicher LED-Treiber mit niedriger EMI und integriertem DC/DC-Netzschalter für Fahrzeuganwendungen. Der DC/DC-Wandler unterstützt sowohl SEPIC- als auch Boost-Topologiekonfigurationen. Die sechs hochpräzisen Stromsenken unterstützen das PWM-Phasenverschieben, das automatisch aufgrund der Anzahl der verwendeten Kanäle angepasst wird. Über dieI2C-Schnittstelle oder den PWM-Eingang lässt sich die LED-Helligkeit allgemein steuern.Der Aufwärtswandler verfügt über eine adaptive Ausgangsspannungsregelung, die auf den Headroom-Spannungen der LED-Stromsenken basiert. Diese Funktion minimiert den Stromverbrauch, indem sie die Boost-Spannung unter allen Bedingungen auf den niedrigsten ausreichenden Wert einstellt. Der LP8872-Q1 von Texas Instruments unterstützt integrierte analoge Stromdimmung und hybride PWM-Dimmung, wodurch die EMI reduziert, der gesamte optische Wirkungsgrad gesteigert und die Lebensdauer der LED verlängert wird.
Merkmale
- Gemäß AEC-Q100 für Fahrzeuganwendungen zugelassen mit einer Bauteiltemperaturklasse 1 von –40 °C bis +125 °C, TA
- Eingangsspannungsbetriebsbereich von 3 V bis 48 V
- Sechs Stromsenken mit hoher Genauigkeit
- Bis zu 150 mA DC für jeden Kanal
- Stromangleichung 1 % (typisch)
- Hohes Dimmungsverhältnis von 32000:1 mit 152 Hz LED-Ausgangs-PWM-Frequenz
- Bis zu 16-Bit-LED-PWM-Dimmauflösung mit I2C oder PWM-Eingang
- Unterstützt unabhängige PWM-Dimmung für jeden Kanal
- Bis zu 48 VOUT Boost- oder SEPIC-DC/DC-Wandler
- Integrierter 5,4-A-Schalt-FET
- Unterstützt Boost-/SEPIC-Betrieb
- Höherer Wirkungsgrad mit 60 mΩ RDSON und schnellem Umschalten
- Dual-Random-Frequenzspreizung mit wählbarer Boost-Funktion zur Reduierung der EMI
- Einstellbarer Soft-Start eines Wandlers
- Boost-Sync-Eingang zum Einstellen der Boost-Schaltfrequenz über einen externen Taktgeber
- Ausgangsspannung wird automatisch entladen, wenn Boost deaktiviert ist
- Automatisches Phasenverschieben bei PWM-Dimmung und direkte PWM-Dimmung
- Hybriddimmung und 12-Bit-Analogdimmung
- Umfangreiche Fehlererkennungs- und Schutzfunktionen
- Bis 1 MHz I2C-Steuerschnittstellemit CRC-Prüfung
- Bitintegritätsfehlererkennung (CRC) in internen Konfigurationsregistern nichtflüchtiger Speicher (NVM)
- Eingangsspannung: OVP, UVLO und OCP
- Boost-Überstrom- und Überspannungsschutz
- Erkennung von offenen LEDs, Kurzschlüssen und Erdschluss
- Thermische Warnung und thermische Abschaltung
- Größe Lösungsgröße und niedrige Kosten
- Dynamisch programmierbare breite Schaltfrequenz von 100 kHz bis 2,2 MHz
- Verfügbar im 4 mm × 4 mm HotRod™ QFN-Gehäuse mit benetzbarer Flanke
Applikationen
- Hintergrundbeleuchtung für
- Fahrzeug-Infotainment und Cluster
- Smart-Spiegel
- Zentrales Informationsdisplay (CID)
- Head-up-Display (HUD)
- Kameraüberwachungssysteme
Vereinfachtes Schema
Veröffentlichungsdatum: 2025-09-17
| Aktualisiert: 2025-09-28
