Texas Instruments LP87332D/LP87332D-Q1 Dual-Wandler und Regler
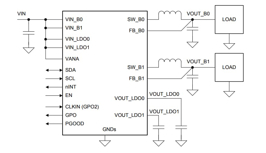
Texas Instruments LP87332D/LP87332D-Q1 Dual-Hochstrom-Abwärtswandler und Dual-Linearregler sind für die neuesten Prozessoren und Plattformen in Automotive-Kamera- und Radarapplikationen ausgelegt. Der LP87332D/LP8733D-Q1 enthält zwei DC/DC-Abwärtswandler, zwei Linearregler und zahlreiche Universal-Signale mit digitalem Ausgang. Das Bauteil wird über eine I2C-kompatible serielle Schnittstelle und ein Freigabesignal gesteuert. Die LP87332D/LP87332D-Q1 Bauteile sind für Fahrzeuganwendungen AEC-Q100-qualifiziert.Der LP87332D/LP87332D-Q1 unterstützt eine Laststrommessung ohne zusätzliche externe Strommesswiderstände. Zusätzliche Funktionen umfassen eine Eingangsspannung von 2,8 V bis 5,5 V, konfigurierbare Universal-Ausgangssignale (GPO, GPO2) und ein programmierbares Power-Good-Signal (PGOOD). Ein automatischer PWM/PFM-Betrieb (AUTO-Modus) ermöglicht einen hohen Wirkungsgrad über einen großen Ausgangsstrombereich. Das Bauteil verbessert die Genauigkeit der Ausgangsspannung über eine ferngesteuerte Spannungserfassung, um den IR-Abfall zwischen dem Wandlerausgang und der Punktlast (POL) zu kompensieren. Der Schalttakt kann in den PWM-Modus gezwungen und mit einem externen Takt synchronisiert werden, um Störungen zu reduzieren. Das Bauteil verfügt über einen Betriebstemperaturbereich von -40 °C bis +125 °C.
Merkmale
- Eingangsspannung: 2,8 V bis 5,5 V
- Zwei DC/DC-Abwärtswandler mit hohem Wirkungsgrad:
- Ausgangsspannung: 0,7 V bis 3,36 V
- Maximaler Ausgangsstrom von 3 A
- Programmierbare Ausgangsspannungs-Anstiegsrate von 0,5 mV/µs auf 10 mV/µs
- 2 MHz Schaltfrequenz
- Frequenzspreizungsmodus und Phasenverschachtelung für EMI-Reduktion
- Zwei Linearregler:
- Eingangsspannung: 2,5 V bis 5,5 V
- Ausgangsspannung: 0,8 V bis 3,3 V
- Max. Ausgangsstrom: 300 mA
- Konfigurierbare Universal-Ausgangssignale (GPO, GPO2)
- Interrupt-Funktion mit programmierbarer Maskierung
- Programmierbares Power-Good-Signal (PGOOD)
- Überlastschutz und Kurzschlusssicherung am Ausgang
- Übertemperaturvorwarnung und Schutz
- Unterspannungssperre (UVLO) und Überspannungsschutz (OVP)
- 28-Pin-VQFN-Gehäuse mit benetzbaren Flanken von 5 mm x 5 mm
- AEC-Q100-qualifiziert mit den folgenden Ergebnissen (LP87332D-Q1):
- Temperatur des Bauteils der Klasse 1: -40 °C bis +125 °C Umgebungstemperatur
Applikationen
- Automotive-Hauptgerät und Kombiinstrumente
- Automotive-Kameramodul
- Rundumsichtsystem-ECU
- Radarsystem-ECU
- Anzeige in Fahrzeugen
Datenblätter
Schaltplan
