Texas Instruments LMG2100R044 GaN-Halbbrücken-Leistungsstufe
Die GaN-Halbbrücken-Leistungsstufe LMG2100R044 von Texas Instruments ist eine Halbbrücken-Leistungsstufe mit 90 V Dauerstrom, 100 V Impulsstrom und 35 A mit integriertem Gate-Treiber und Galliumnitrid-FETs im Enhancement-Mode (GaN). Die LMG2100R044 kombiniert zwei 100-V-GaN-FETs, die von einem 90-V-Hochfrequenz-GaN-FET-Treiber in einer Halbbrücken-Konfiguration betrieben werden. Die GaN-FETs bieten erhebliche Vorteile für die Leistungsumwandlung, wie z. B. Null-Sperrverzögerung und minimale Eingangskapazität CISS und Ausgangskapazität COSS.Die LMG2100R044-Leistungsstufe von TI ist auf einer vollständig bonddrahtlosen Gehäuseplattform mit einer minimalen Anzahl parasitärer Gehäuseelemente montiert. Der LMG2100R044 ist in einem bleifreien 5,5 mm x 4,5 mm x 0,89 mm Gehäuse untergebracht und einfach auf PCBs montiert.
Merkmale
- Integrierte 4,4 mΩ Halbbrücken-GaN-FETs und Treiber
- 90 V Dauerbetrieb, 100 V gepulste Nennspannung
- Gehäuse optimiert für einfaches PCB-Layout
- Schaltung mit hoher Anstiegsrate und niedrigem Überschwingen
- 5 V Externes Vorspannungsnetzteil
- Unterstützt 3,3 V und 5 V Eingangslogikpegel
- Gate-Treiber, der zu einer Schaltung von bis zu 10 MHz fähig ist
- Geringer Stromverbrauch
- Hervorragende Laufzeitverzögerung (33 ns typisch) und Anpassung (2 ns typisch)
- Interne Bootstrap-Versorgungsspannungsklemme zur Verhinderung einer GaN-FET-Übersteuerung
- Versorgungsschienen-Unterspannung für Sperrschutz
- Freiliegendes oberes QFN-Gehäuse für Oberseitenkühlung
- Großes GND-Pad für die Kühlung auf der Unterseite
Applikationen
- Abwärts-, Aufwärts-, Abwärts-/Aufwärtswandler
- LLC-Wandler
- Solar-Wechselrichter
- Telekommunikations- und Serverleistung
- Motorantriebe
- Elektrowerkzeuge
- Audioverstärker der Klasse D
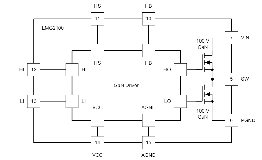
Vereinfachtes Blockdiagramm
Messung der Laufzeitverzögerung und Laufzeitdiskrepanz
Veröffentlichungsdatum: 2024-05-13
| Aktualisiert: 2025-04-16
