Texas Instruments LM95234 Lokaler und Fern-Quad-Temperatursensor
Der Texas Instruments LM95234 lokale und Fern-Quad-Temperatursensor mit ±2 °C bietet eine Systemmanagement-Bus(SMBus)-Schnittstelle, die eine zum Patent angemeldete Ferndioden-TruTherm-BJT-Beta-Kompensationstechnologie enthält, welche die Temperatur von vier Ferndioden sowie die eigene Temperatur sehr genau überwachen kann. Die TruTherm-BJT-Beta-Kompensationstechnologie des LM95234 ermöglicht die genaue Erkennung von thermischen Prozessdioden mit 90 nm oder 65 nm.Der LM95234 Sensor meldet die Temperatur in zwei verschiedenen Formaten für einen +127,875 °C/–128 °C und einen 0 °C/255 °C Bereich. Die LM95234 TCRIT1-, TCRIT2- und TCRIT3-Ausgänge werden ausgelöst, wenn ein unmaskierter Kanal seine entsprechende programmierbare Begrenzung überschreitet und können zum Abschalten des Systems, Einschalten der Systemlüfter oder als Mikrocontroller-Unterbrechungsfunktion verwendet werden. Die Statusregister lesen den aktuellen Status der TCRIT1-, TCRIT2- und TCRIT3-Pins mit dem Maskenregister, das für eine weitere Steuerung der TCRIT-Ausgänge verfügbar ist.
Jeder LM95234 Kanal enthält Register für den Sub-Mikron-Prozess oder die 2N3904 Diodenmodell-Auswahl sowie eine Offset-Korrektur, wodurch eine optimale Flexiblität und Genauigkeit ermöglicht wird. Der dreistufige Adress-Pin unterstützt die Verbindung von bis zu drei LM95234s auf dem gleichen SMBus-Master. Stromsparfunktionen, einschließlich eine programmierbare Wandlungsrate, ein Abschaltmodus und eine Deaktivierung von ungenutzten Kanälen sind auf dem LM95234 verfügbar.
Merkmale
- Lokale Temperaturgenauigkeit ±2,0 °C (max.)
- Ferndioden-Temperaturgenauigkeit ±0,875 °C (max.)
- Versorgungsspannung: 3,0 V bis 3,6 V
- Durchschnittlicher Versorgungsstrom (1 Hz Wandlungsrate)
- Erkennt die Chip-Temperatur von vier Fern-ICs oder Dioden-Kreuzungen und die lokale Temperatur genau
- Die TruTherm-BJT-Beta-Kompensationstechnologie erkennt thermische Sub-Mikron-Prozessdioden genau
- Programmierbare Digitalfilter und Analog-Frontend-Filter
- LSB-Temperaturauflösung: 0,125 °C
- LSB-Fern-Temperaturauflösung mit aktiviertem Digitalfilter: 0,03125 °C
- +127,875 °C/–128 °C und 0 °C/255 °C Fernbereiche
- Ferndioden-Fehlererkennung, Modellauswahl und Offset-Korrektur
- Unterstützung für Maske und Statusregister
- 3 programmierbare TCRIT-Ausgänge mit programmierbarer geteilter Hysterese und Fehlerschlange
- Programmierbare Wandlungsrate und monostabile Abschaltmodus-Wandlungssteuerung
- SMBus-2.0-kompatible Schnittstelle, unterstützt TIMEOUT
- Dreistufen-Address-Pin
- 14-Pin-WSON-Gehäuse
Applikationen
- Prozessor-/Computer-Systemwämemanagement (z. B. Laptop, Desktop, Workstations, Server)
- Elektronische Testausstattung
- Büroelektronik
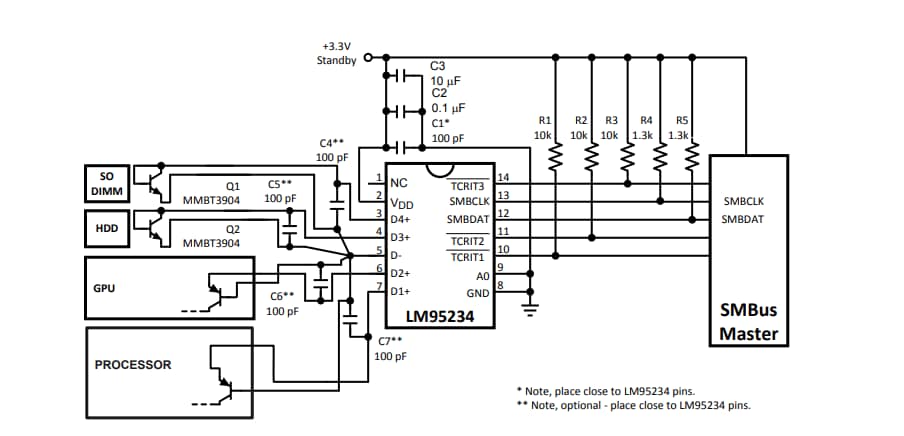
Blockdiagramm
Typische Applikation
