Texas Instruments LM36010 Synchroner Aufwärts-Flash-Treiber für einzelne LED
Der Texas Instruments LM36010 extrem kleine synchrone Aufwärts-LED-Flash-Treiber bietet eine High-Side-Stromquelle von 1,5 A und eine hohe Anpassungsfähigkeit. Der LM36010 extrem kleine LED-Flash-Treiber erzeugt bis zu 1,5 A LED-Flash-Strom oder bis zu 376 mA Torch-Strom mit einer Lösungsgröße von 7 mm2. Die 1,5A-LED-Konstantstromquelle wird von einem synchronen Aufwärtswandler mit einer Festfrequenz von 2 MHz oder 4 MHz mit Leistung versorgt. Die Stromquelle bleibt über eine adaptive Regulierungsmethode geregelt für einen maximalen Wirkungsgrad. Die Regulierungsmethode steuert den Strom von 11 mA bis zu 1,5 A im Flashmodus oder von 2,4 mA bis zu 376 mA im Torch-Modus. Die I2C-kompatible Schnittstelle steuert die Funktionen des LM36010, einschließlich Hardware-Flash (STROBE) und 128 programmierbare Ströme für den Flash- sowie Filmmodus (Torch). Flache, winzige Induktivitäten und Keramikkondensatoren werden über eine Schaltfrequenz von 2 MHz oder 4 MHz, einen Überspannungsschutz (OVP) und eine einstellbare Strombegrenzung ermöglicht.Merkmale
- Präzise und programmierbare LED-Ströme
- Flash/IR-Ströme von 11 mA bis zu 1,5 A (128 Stufen)
- Torch-Ströme von 2,4 mA bis zu 376 mA (128 Stufen)
- Flash-Time-Out bis zu 1,6 Sekunden
- Geerdeter Kathoden-LED-Betrieb für ein verbessertes Wärmemanagement
- Kleine Gesamtlösungsgröße: <7 mm2
- Hardware-Stroboskop-aktiviert (STROBE)
- Eingangsspannungsbereich von 2,5 V bis 5,5 V
- Optimierter Flash-LED-Strom bei schwacher Batterie (IVFM)
- I2C-kompatible 400kHz-Schnittstelle
- I2C-Adresse = 0x64
Applikationen
- Handys
- Tablet-PCs
- IR-LED-Treiber
- Videoüberwachung: IP-Kamera
- Barcode-Scanner
- Tragbare Datenterminals
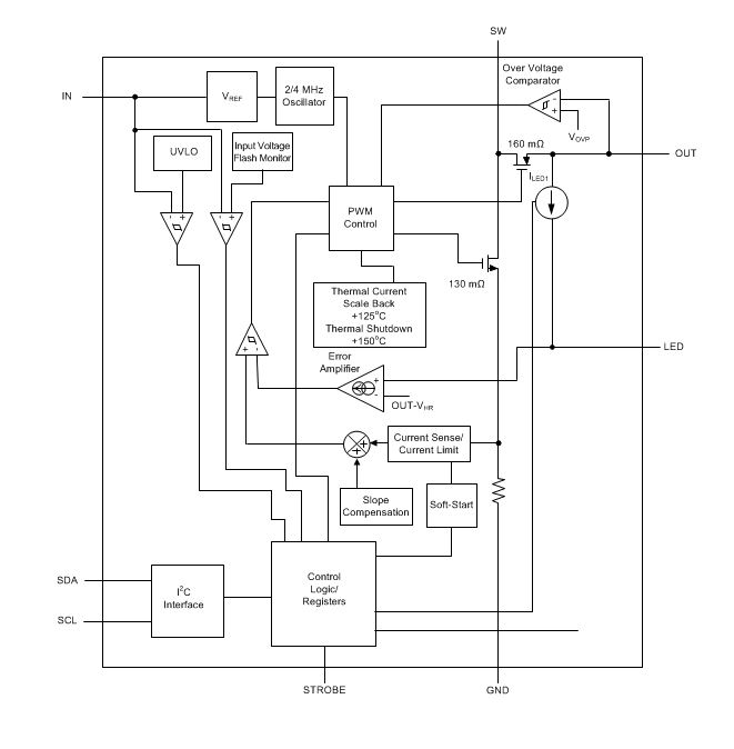
Funktionales Diagramm
Veröffentlichungsdatum: 2018-07-13
| Aktualisiert: 2022-11-03
