Texas Instruments DLP3021LEQ1EVM Evaluierungsmodul (EVM)
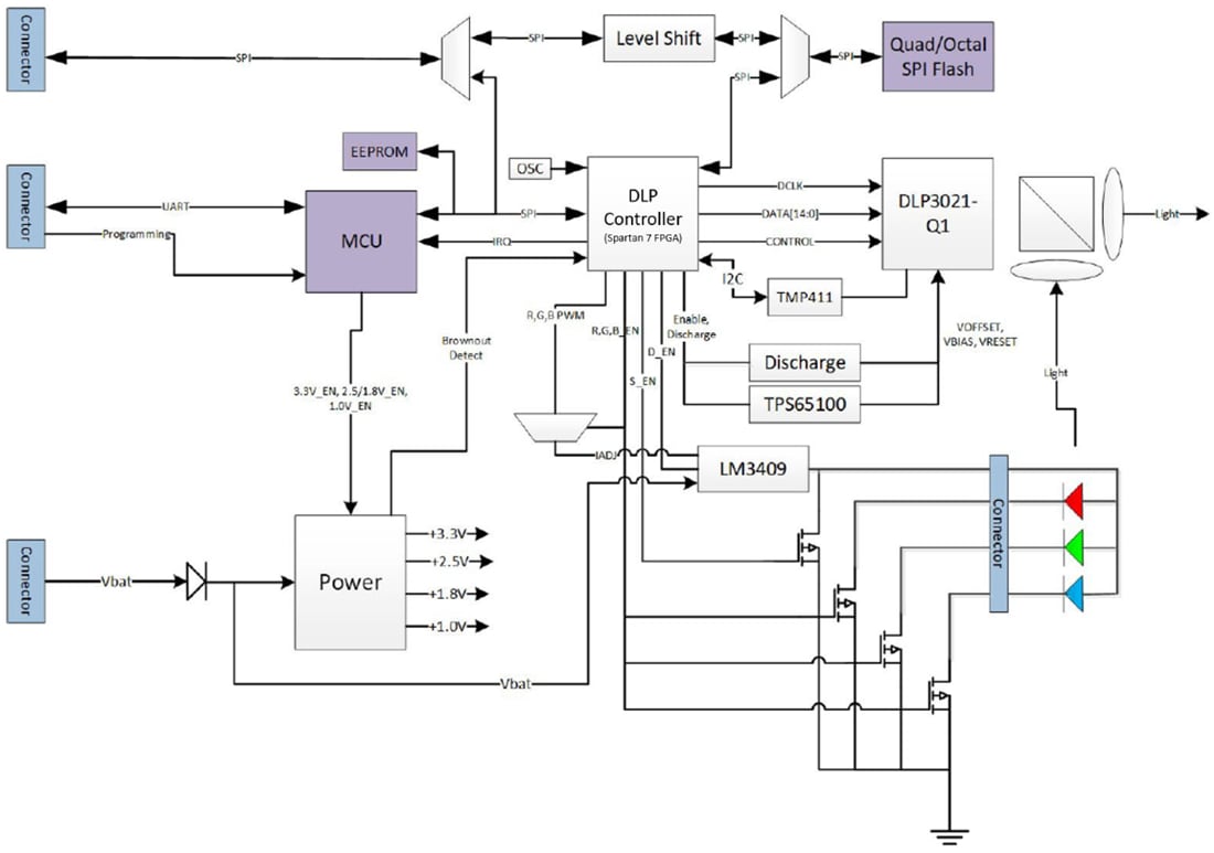
Das Texas Instruments DLP3021LEQ1EVM Evaluierungsmodul (EVM) ist ein vollständiges elektronisches und optisches Subsystem, das zur Steuerung und Verbindung mit dem DLP3021-Q1 Chipsatz ausgelegt ist. Der DLP3021-Q1 verbindet sich mit einem FPGA-basierten digitalen Mikrospiegelarray-Controller (DMD). Dieser Chipsatz wird mit Beleuchtungs- und Projektionsoptiken sowie RGB-LEDs kombiniert, um einen Projektor zu erstellen, der eine Helligkeit von bis zu 30 Lumen mit Full-Motion-Videowiedergabe in einem Formfaktor mit kleinem Volumen. Das DLP3021LEQ1EVM von Texas Instruments ist kein Produktionsdesign und dient nur zur Evaluierung.Merkmale
- Kompakte Lichtengine, die für dynamische Bodenprojektions-Applikationen ausgelegt ist
- Kann gespeicherte Bilder und Full-Motion-Videos anzeigen
- Helligkeit von bis zu 30 Lumen
- Gesamter Stromverbrauch unter 3,5 W
Lieferumfang Kit
- DLP3021LEQ1EVM Evaluierungsmodul
- USB-zu-SPI-Kabel
- SPI-Adapter-PCB
- Strom- und SPI-Kabel
Blockdiagramm
Veröffentlichungsdatum: 2021-04-13
| Aktualisiert: 2025-04-21
