Texas Instruments BQ76922 Batteriemonitor für Baureihen 3 bis 5
Der Batteriemonitor BQ76922 der Baureihe 3 bis 5 von Texas Instruments bietet eine hohe Genauigkeit und die Integration von High-Side-Ladepumpen-NFET-Treibern, einen programmierbaren LDO für die Verwendung in externen Systemen sowie eine Host-Kommunikationsperipherie, die 400-kHz-I2C- und HDQ-One-Wire-Standards unterstützt. Der BQ76922 von TI überwacht und schützt Li-Ionen-, Li-Polymer- und LiFePO4 -Batterien der Baureihen 3 bis 5. Der BQ76922 verfügt über ein hochpräzises Überwachungssystem, ein hochgradig konfigurierbares Schutzsubsystem und Unterstützung für autonomes oder hostgesteuertes Zellbalancing. Der BQ76922 ist in einem 32-poligen 4 mm x 4 mm QFN-Gehäuse untergebracht.Merkmale
- Batterieüberwachungsfähigkeit für Zellen der Baureihen 3 bis 5
- Integrierte Ladungspumpe für High-Side-NFET-Schutz mit optionaler autonomer Wiederherstellung
- Umfassende Schutzsuite, einschließlich Spannungs-, Temperatur-, Strom- und interne Diagnosefunktionen
- Zwei unabhängige ADCs
- Unterstützung für gleichzeitige Strom- und Spannungsabtastung
- Hochpräziser Coulombenzähler mit Eingangsoffsetfehler <1 µV (typisch)
- Hochgenaue Messung der Zellenspannung <10 mV (typisch)
- Weitbereichsstromapplikationen (±200 mV Messbereich über Messwiderstand)
- Integrierter sekundärer Antriebsschutz für chemische Sicherungen
- Autonomer oder Host-gesteuerter Zellenausgleich
- Tolerant gegenüber einer zufälligen Reihenfolge beim Anbringen von Zellen in einer Produktionslinie
- Mehrere Leistungsmodi (typische Bedingungen für den Betriebsbereich des Akkupacks)
- NORMAL Modus von 286 µA
- Mehrere SLEEP-Modus-Optionen von 24 µA bis 41 µA
- Mehrere DEEPSLEEP-Modus-Optionen von 9 µA bis 10 µA
- SHUTDOWN-Modus von 1 µA
- Hochspannungstoleranz von 60 V am Zellanschluss und ausgewählten zusätzlichen Pins
- Unterstützung für die Temperaturerfassung mit einem internen Sensor und bis zu fünf externen Thermistoren
- Integrierter einmalig programmierbarer (OTP) Speicher, der vom Kunden in einer Fertigungsstraße programmiert werden kann
- Kommunikationsoptionen: 400 kHz I2C und HDQ Ein-Draht-Schnittstelle
- Programmierbar LDO für externe Systemnutzung
- 32-Pin QFN-Gehäuse (RSN)
Applikationen
- Kabellose Elektrowerkzeuge und Gartengeräte
- Staubsauger
- Vakuum-Roboter
- Nicht-militärische Drohnen
- Andere Industriebatterien ( Baureihe 3 bis 5)
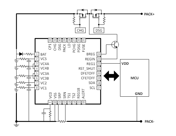
Vereinfachtes Schaltschema
Veröffentlichungsdatum: 2024-05-23
| Aktualisiert: 2024-06-05
