Texas Instruments AMC1106 Delta-Sigma-Modulatoren mit einfacher Isolation
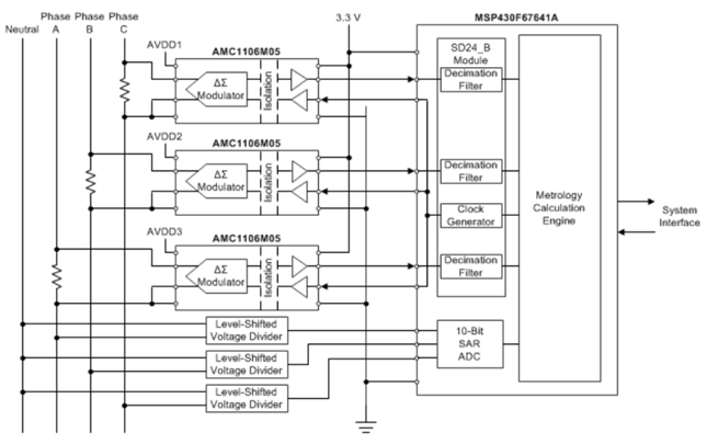
Die AMC1106 Delta-Sigma-Modulatoren mit einfacher Isolation von Texas Instruments verfügen über eine ±50 mV Eingangs- und Manchester-codierte CMOS-Schnittstelle sowie Diagnosefunktionen auf Systemebene. Das Bauteil bietet einen Ausgangsschaltkreis, der durch eine gegen magnetische Störungen hochbeständige, kapazitive Isolationsbarriere vom Eingangsschaltkreis getrennt ist. Die Eingangsphase des AMC1106 ist für die direkte Verbindung mit Shunt-Widerständen oder anderen Niederspannungssignalquellen optimiert. Diese werden in Mehrphasen-Stromzählern zur Erzielung einer hervorragenden Wechselstrom- und Gleichstromleistung verwendet. Der niedrige Eingangsspannungsbereich von ±50 mV ermöglicht zur Reduzierung des Leistungsverlusts die Verwendung von kleinen Shunt-Widerstandswerten. Der AMC1106 verwendet einen entsprechenden digitalen Filter zur Dezimierung des Ausgangsbitstroms. Die digitalen Filter sind mit dem AMC1210 Filter für einen nahtlosen Betrieb mit dem AMC1106 über die MSP430F67x, TMS320F2807x und TMS320F2837x Mikrocontroller integriert. Ein Betrieb von 3,3 V auf beiden Seiten der Isolationsbarriere trägt zu einer kleineren Verlustleistung bei. Auf der High-Side wird der Modulator über eine Spannungsversorgung (AVDD) von 3,3 V oder 5 V versorgt. Die isolierte, digitale Schnittstelle arbeitet mit einer 3,0 V, 3,3 V oder 5 V Spannungsversorgung (DVDD). Dieser Baustein ist für den erweiterten Temperaturbereich von -40 °C bis +125 °C spezifiziert.These are used in multi-phase electricity meters to achieve an ideal ac and dc performance. The ±50mV low input voltage range grants the use of small shunt resistor values to minimize power dissipation. The AMC1106 decimates the output bitstream with a relevant digital filter. The digital filters are integrated for seamless operation with the AMC1106 through the MSP430F67x, TMS320F2807x, and TMS320F2837x microcontrollers, with the AMC1210 filter. 3.3V operation for reduced power dissipation is offered on both sides of the isolation barrier. The modulator is supplied by a 3.3V or 5V power supply (AVDD) on the high side. 3.0V, 3.3V, or 5V power supply (DVDD) is operated from the isolated digital interface. The device is specified over the extended industrial temperature range of –40°C to +125°C.
Merkmale
- ±50mV Input voltage range optimized for current measurement with shunt resistors
- Manchester coded or uncoded bitstream options
- Excellent DC performance for high-precision sensing on the system level:
- ±50µV, ±1µV/°C (max) Offset error and drift
- ±0.2%, ±40ppm/°C (max) Gain error and drift
- 3.3V Operation for reduced power dissipation on both sides of the isolation barrier
- High electromagnetic field immunity (see the ISO72x digital isolator magnetic-field immunity application report)
- System-level diagnostic features
- Safety-related certifications:
- 5657VPK Basic isolation per DIN V VDE V 0884-11 (VDE V 0884-11): 2017-01
- 4000VRMS Isolation for 1 minute per UL1577
- CAN/CSA No. 5A-Component acceptance service notice, IEC 60950-1, and IEC 60065 end equipment standards
AMC1106 Diagram
