Terasic Technologies P0035 AD/DA Data Conversion Card
Terasic Technologies P0035 AD/DA Data Conversion Card provides a set of analog-to-digital (A/D) and digital-to-analog (D/A) interfaces that include an audio CODEC interface. This conversion card allows the use of HSMC to develop DSP applications with Altera development boards and Terasic development boards that feature the HSMC connector. Terasic Technologies P0035 AD/DA Data Conversion Card features an external clock in/out interface. Typical applications include cost-effective oscilloscope and pattern generators, communication transceivers, digital signal processors, platforms for various modulation techniques, and sound recording and playback.Features
- Provides a set of A/D and D/A interfaces
- HSMC interface
- Audio CODEC interface
- External clock-in interface
- External clock-out interface
- ADC channel A and B input interface
- DAC channel A and B output interface
- I2C serial EEPROM
Applications
- Oscilloscope and pattern generators
- Communication transceivers
- Digital signal processors
- Platforms for various modulation techniques
- Sound recording and playback
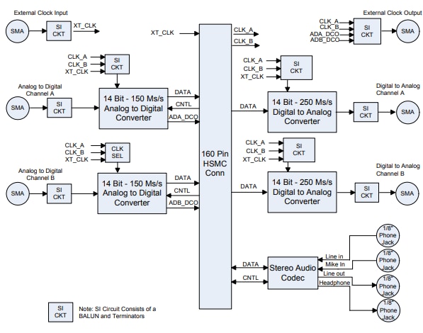
Block Diagram
Overview
Veröffentlichungsdatum: 2019-08-29
| Aktualisiert: 2024-02-23
