TE Connectivity SMI Digitale/Analoge Niederdrucksensoren
Die SMI Niederdruck-Digital-/Analog- Sensoren von TE Connectivity(TE) sind MEMS- Sensoren, die ein vollständig konditioniertes, mehrstufiges, druck- und temperaturkompensiertes Ausgangssignal erzeugen. Diese Sensoren nutzen modernste Transducer-Technologie und CMOS-Misch-Signal- VerarbeitungsTechnologie. Diese Sensoren bieten einSOIC-16-Gehäuse nach JEDEC-Standard mit vertikalen oder horizontalen Portierungsoptionen. Die digitalen/analogen SMI-Sensoren sind in den Druckpegel-, Differential- und asymmetrisch Differential-Konfigurationen erhältlich. Der Druck reicht von 0,07 PSI bis 2,49 PSI. Diese Sensoren verfügen über zwei Anschlüsse, die eine Referenzmessung ermöglichen, um Fehler aufgrund von Änderungen der Umgebungstemperatur zu minimieren.TE) SMI Niederdruck-Digital-/Analog- Sensoren weisen eine Gesamtfehlerbandbreite von ±1 % FS (digital) und ±1,5 % FS (analog) auf. Diese Sensoren können direkt auf eine Standard Leiterplatte montiert werden, und ein hochpegeliges, kalibriertes Druck-Signal kann von der Digitalschnittstelle bezogen werden. Dadurch entfällt die Notwendigkeit einer zusätzlichen Schaltung, wie ein Kompensationsnetzwerk oder ein Mikrocontroller mit einem benutzerdefinierten Korrekturalgorithmus. Typische Applikationen sind Ventilatoren, Gasflussmessgeräte, Drucktransmitter, pneumatische Messgeräte, Druckschalter und Sicherheitsschränke.
Merkmale
- 0.07PSI bis 2.49PSI Druckbereiche
- Drucktyp
- Relativ
- Differentiell
- Asymmetrisch Differential
- 16-Bit- I2C und Analogausgang Schnittstelle verfügbar
- Gesamtfehler Band
- ±1 % FS (digital)
- ±1,5 % FS (analog)
- Druckkalibrierter und temperaturkompensierter Ausgang
- Kompensierter Temperaturbereich von -20 °C bis +85 °C
Applikationen
- CPAP-Geräte / Schlafapnoe-Geräte
- Ventilatoren
- Gasströmungsinstrumente
- Luftstrommessung
- HVAC/VAV
- Drucktransmitter
- Pneumatische Anzeigen
- Druckschalter
- Sicherheitschränke
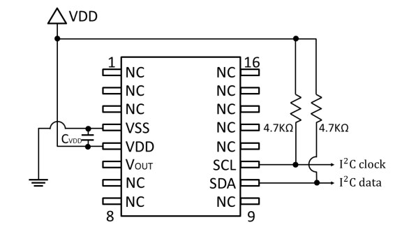
Typische Applikations-Schaltung
Veröffentlichungsdatum: 2025-06-09
| Aktualisiert: 2026-04-06
