STMicroelectronics TDA7388A 4x42W Vierfache Brücken
-Autoradio-Verstärker

STMicroelectronics TDA7388A 4x42W Vierfache Brücken-Verstärker sind Klasse-AB-Audio-Leistungsverstärker in einem Flexiwatt 27-Gehäuse. Diese STMicroelectronics Geräte sind für High-End-Autoradio-Anwendungen und hohe Ausgangsleistungsfähigkeit sowie geringe Verzerrung und Ausgangsrauschen konzipiert. Der TDA7388A verfügt über vollständig komplementäre PNP-/NPN-Ausgangskonfiguration, so dass ein Schiene-zu-Schiene-Ausgangsspannungshub ohne Notwendigkeit der Bootstrap-Kondensatoren möglich wird. Die TDA7388A vierfachen Brücken-Verstärker sind ebenfalls mit Clipping-Detektor und Offset-Detektor ausgestattet.

Merkmale
  • Hohe Ausgangsleistungskapazität:
    • 4x42W/4Ω max.
    • 4x27W/4Ω bei 14,4V, 1KHz, 10%
  • Geringe Verzerrung
  • Leises Ausgangsrauschen
  • Standby-Funktion
  • Stummschaltung
  • Autom. Stummschaltung bei min. Versorgungsspannungserfassung
  • Geringe externe Komponentenanzahl
  • Clipping-Detektor
  • Offset-Detektor
  • Diagnostische Leichtigkeit für:
    • Aus nach Kurzschluss (Masse)
    • Aus nach Kurzschluss (VS)
    • Überhitzungsschutz
Anwendungsbereiche
  • High-End-Autoradio

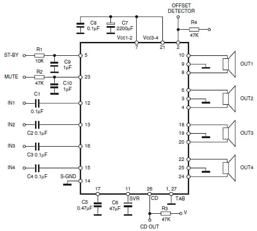
Anwendungsspezifischer Schaltkreis

Anwendungsspezifischer Schaltkreis
  • STMicroelectronics
  • Audio
  • Semiconductors|Integrated Circuits|IC-Amplifier|IC-Audio
Veröffentlichungsdatum: 2011-11-14 | Aktualisiert: 2022-03-11