STMicroelectronics STGIPQ8C60T SLLIMM Nano-IPM der 2. Generation
Die STMicroelectronics STGIPQ8C60T SLLIMM™ Nano intelligenten Leistungsmodule (IPM) der 2. Generation sind für eine bessere und einfachere Befestigung am Kühlkörper konzipiert. Diese IPMs zeichnen sich durch einen kompakten Hochleistungs-AC-Motorantrieb und eine einfache, robuste Konstruktion aus. Das intelligente geformte Small-Low-Loss-(SLLIMM)-IPM der Nano-Baureihe ist mit einem Operationsverstärker für eine verbesserte Strommessung und mit einem Komparator zum Fehlerschutz gegen Überstrom ausgestattet. Zu den typischen Applikationen gehören Dreiphasen-Wechselrichter für Motorantriebe, Ablauf- und Umwälzpumpen, Heizsysteme und Klimaanlagelüfter.Merkmale
- Integrierte Bootstrap-Diode
- Unterspannungssperre
- Verriegelungsfunktion
- Intelligente Abschaltfunktion
- 1500 Vrms/Min. Isolierungsleistung
- Operationsverstärker für verbesserte Strommessung
- Komparator für Fehlerschutz gegen Überstrom
- Optimiert für geringe elektromagnetische Störung
Applikationen
- Dreiphasen-Wechselrichter für Motorantriebe
- Geschirrspülmaschinen
- Kompressoren für Kühlschränke
- Heizungsanlagen
- Lüfter für Klimaanlagen
- Ablauf- und Umwälzpumpen
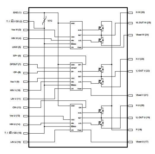
Interner Schaltplan und Pinbelegung
Veröffentlichungsdatum: 2017-11-07
| Aktualisiert: 2025-12-01
