STMicroelectronics STSPIN830 Motortreiber
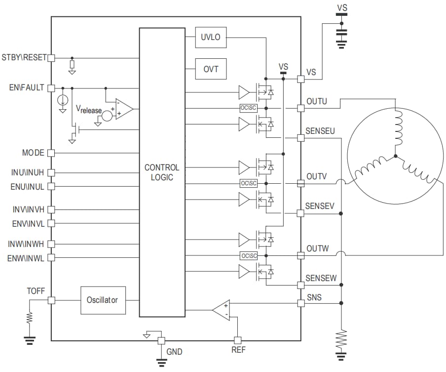
Der STSPIN830 Motortreiber von STMicroelectronics ist ein kompakter und vielseitiger FOC-bereiter Dreiphasen-Motortreiber mit feldorientierter Steuerung. Der STSPIN830 ist in einem QFN-Gehäuse von 4x4 mm untergebracht und verfügt über eine Steuerlogik und eine vollständig geschützte Dreifach-Brücken-Leistungsstufe mit niedrigem RDS(ON). Der Treiber enthält einen dedizierten MODE-Eingangspin, um entscheiden zu können, ob über 6 Eingänge (einen für jeden Leistungsschalter) oder geläufigere 3 PWM-Direkt-Ansteuerungseingänge angesteuert wird. Der STSPIN830 unterstützt Architekturen mit einem oder drei Shunts und integriert einen PWM-Stromcontroller basierend auf den einstellbaren Benutzerwerten der Referenzschaltung und AUS-Zeit.Merkmale
- Betriebsspannung von 7 V bis 45 V
- Maximaler Ausgangsstrom von 1,5 Arms
- RDSon HS + LS = 1 Ω (typisch)
- Unterstützt Architekturen mit einem oder drei Shunts
- Stromsteuerung mit einstellbarer AUS-Zeit
- Strommessung auf Basis des externen Shunt-Widerstands
- Flexible Ansteuermethodik vom Benutzer zwischen sechs Eingängen (High-Side- und Low-Side-Ansteuerung) einstellbar und drei Eingänge (direkte PWM-Ansteuerung)
- FOC-kompatibel dank der Unterstützung der Abtast-Topologie mit drei Shunts
- Vollständiger Schutzsatz
- Nicht dissipativer Überstromschutz
- Kurzschlussschutz
- Unterspannungssperre
- Übertemperaturschutz
- Verriegelungsfunktion
- Geringer Standby-Stromverbrauch
Applikationen
- Industrie-Robotik
- Gesundheitswesen und Medizin
- Fabrikautomatisierungs-Endpunkte
- Haushaltsgeräte
- Kleinpumpen
- Server-, Computer- und Universal-Lüfter
- Büro- und Heimautomatisierung
STSPIN830 Blockdiagramm
Veröffentlichungsdatum: 2018-07-11
| Aktualisiert: 2023-02-12
