STMicroelectronics STEVAL-MKI221V1 Adapterboard
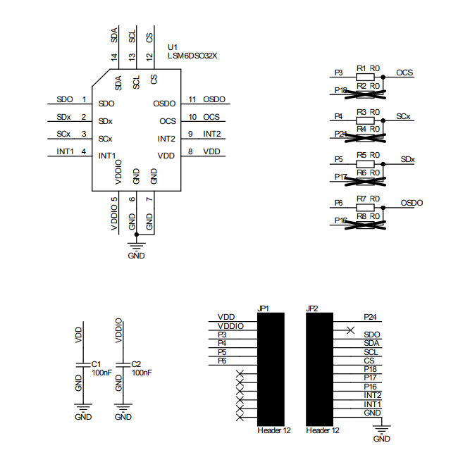
Das STMicroelectronics STEVAL-MKI221V1 Adapterboard ermöglicht die Evaluierung der LSM6DSO32X-Produktfamilie. Das LSM6DSO32X iNEMO-Trägheitsmodul ist ein digitaler 3D-Beschleunigungsmesser und ein digitales 3D-Gyroskop-System-in-Package (SIP) mit einer seriellen I2C-, SPI- und MIPI-I3CSM-Schnittstelle mit Standard-Digitalausgang, die in Kombination mit dem Hochleistungsmodus eine Leistung von 0,55 mA ermöglicht.Das STEVAL-MKI221V1 Adapterboard von STM kann in einen Standard-DIL-24-Sockel gesteckt werden. Der Adapter bietet die vollständige LSM6DSO32X-Pinbelegung und wird einsatzbereit mit den erforderlichen Entkopplungskondensatoren auf der VDD-Stromversorgungsleitung geliefert. Darüber hinaus wird der Adapter vom STEVAL-MKI109V3 Motherboard unterstützt. Enthalten ist ein leistungsstarker 32-Bit-Mikrocontroller, der als Brücke zwischen dem Sensor und einem PC dient.
Das STEVAL-MKI221V1 Adapterboard kann in die X-NUCLEO-IKS01A2, X-NUCLEOIKS01A3 und X-NUCLEO-IKS02A1 Erweiterungsboards eingesteckt werden. Das Board bietet eine effektive Lösung für ein schnelles System-Prototyping und eine schnelle Evaluierung des Bauteils direkt innerhalb der Benutzerapplikation.
Merkmale
- Vollständige LSM6DSO32X-Pinbelegung für einen DIL-24-Standardsockel
- Vollständig mit dem STEVAL-MKI109V3 Motherboard kompatibel
- Durch Änderung der Widerstandseinstellungen mit STEVAL-MKI109V2 kompatibel
- RoHS-konform
Schaltplan
