STMicroelectronics STEVAL-MKI182V2 Adapterboard
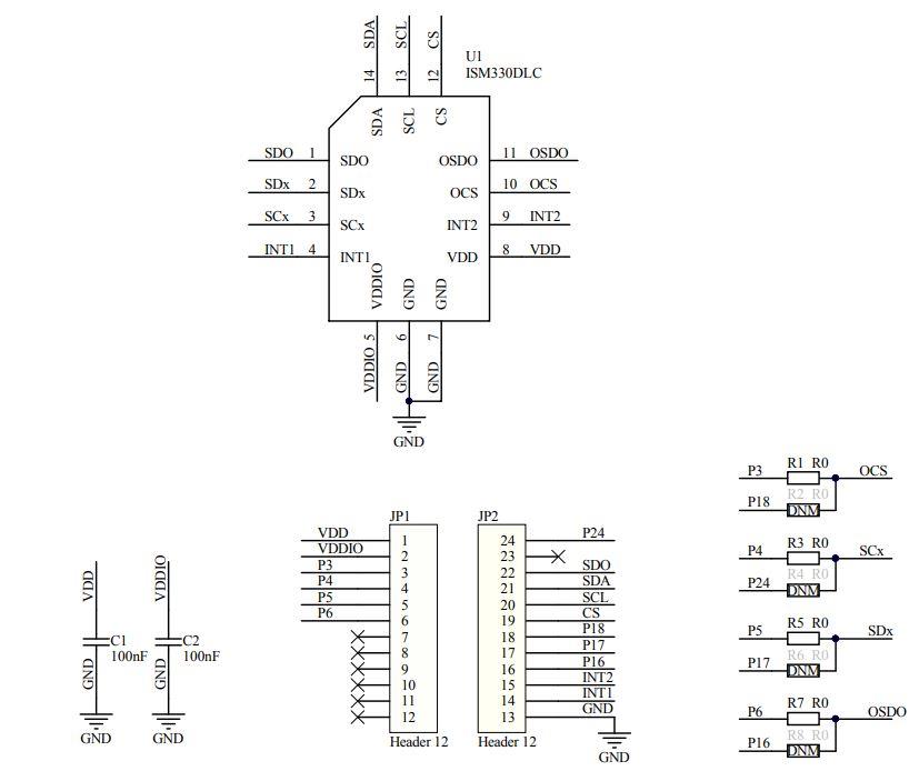
Das STEVAL-MKI182V2 Adapterboard von STMicroelectronics ist zur Evaluierung von MEMS-Bauteilen der ISM330DLC-Produktfamilie ausgelegt. Dieser Adapter bietet die vollständige ISM330DLC-Pinbelegung und wird gebrauchsfertig, mit den erforderlichen Entkopplungskondensatoren auf der VDD-Stromleitung geliefert. Das STEVAL-MKI182V2 Adapterboard kann für ein schnelles System-Prototyping sowie für die schnelle Evaluierung von Bauteilen verwendet und direkt in einen DIL-24-Standardsockel gesteckt werden. Dieser Adapter ist vollständig mit den STEVAL-MKI109V2 und STEVAL-MKI109V3 Motherboards kompatibel, die einen leistungsstarken 32-Bit-Mikrocontroller enthalten, der als Brücke zwischen dem Sensor und einem PC dient.Merkmale
- Erleichtert die Evaluierung von MEMS-Bauteilen der ISM330DLC-Produktfamilie
- Vollständige ISM330DLC-Pinbelegung für eine DIL24-Standardbuchse
- Vollständig kompatibel mit dem STEVAL-MKI109V3 Motherboard
- Durch Änderung der Einstellungen des Widerstands auch mit dem STEVAL-MKI109V2 Motherboard kompatibel
- RoHS-konform
Schaltungen - Schaltplan
Veröffentlichungsdatum: 2018-10-09
| Aktualisiert: 2023-02-21
