STMicroelectronics STEVAL-L6983IV1 Synchrones Iso-Abwärtswandler-Evaluierungsboard
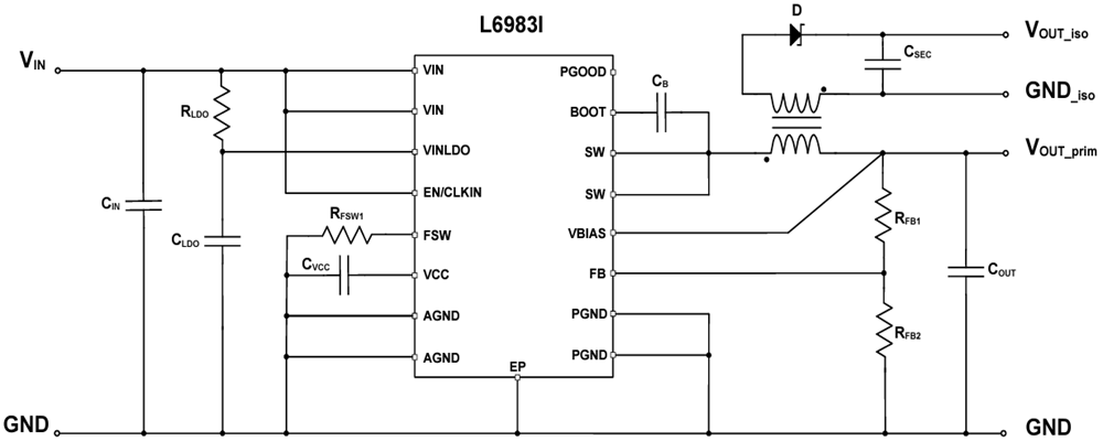
Das STEVAL-L6983IV1 Evaluierungsboard von STMicroelectronics ist zur Evaluierung des L6983I synchronen isolierten Buck-Wandlers mit 38 V, 10 W für isolierte Applikationen ausgelegt. Dieses Evaluierungsboard verfügt über eine primäre Ausgangsspannung, die genau angepasst werden kann, und einen isolierten Sekundärausgang, der von einem festgelegten Transformatorverhältnis abgeleitet wird. Das STEVAL-L6983IV1 Evaluierungsboard erzeugt eine isolierte ungeregelte Spannung und ermöglicht die Verwendung einer Nachregelung um eine Dualspannung zu generieren.Merkmale
- Für die Iso-Abwärtstopologie ausgelegt
- Betriebseingangsspannung: 4 V bis 38 V
- Primäre Ausgangsspannungsregelung
- Kein Optokoppler erforderlich
- 4,5 A Quellen-/Senken-/Spitzen-Primärstrombelastbarkeit
- Spitzenstrommodus-Architektur im erzwungenen PWM-Betrieb
- Austastzeit: 390 ns
- Betriebsruhestrom: 25 µA
- Programmierbare Schaltfrequenz: 200 kHz bis 1 MHz
- Stabil mit niedrigem ESR-Kondensator, min. 2 µF
- Internes Kompensationsnetzwerk
- Abschaltstrom: 2 μA
- Interner Soft-Start
- Freigabe
- Überspannungsschutz
- Thermischer Schutz
- Optionale Frequenzspreizung für verbesserte EMV
- Power-Good
- Möglichkeit der Synchronisierung mit externem Taktgeber
- QFN16-Gehäuse von 3 mm x 3 mm
Schaltplan-Diagramm
Applikations-Schaltungs-Diagramm
Veröffentlichungsdatum: 2023-03-28
| Aktualisiert: 2023-10-05
