STMicroelectronics LM2904B Dual-Operationsverstärker mit geringem Stromverbrauch

Der STMicroelectronics LM2904B Dual-Operationsverstärker mit geringem Stromverbrauch verfügt über zwei unabhängige, hochverstärkende Operationsverstärker mit einer intern integrierten Frequenzkompensation. Diese Bauteile sind speziell für Automotive- und Industrie-Steuerungssysteme ausgelegt. Diese Schaltung wird über ein einzelnes Netzteil über einen großen Spannungsbereich betrieben. Der LM2904B von STMicroelectronics bietet einen garantierten Versorgungsspannungsbetrieb von bis zu 36 V. Die niedrige Stromversorgungs-Drain ist von der Höhe der Versorgungsspannung unabhängig. Zu den Applikationsbereichen gehören Wandler-Verstärker, DC-Verstärkungsblöcke und alle herkömmlichen Operationsverstärker-Schaltungen, die jetzt leichter in einzelne Stromversorgungssysteme implementiert werden können. Diese Schaltungen können direkt von den Standard-5V, die in Logik-Systemen verwendet werden, versorgt werden. Dadurch wird die erforderliche Schnittstellenelektronik schnell bereitgestellt, ohne dass eine zusätzliche Stromversorgung erforderlich ist. Im linearen Modus enthält der Gleichtakt-Eingangsspannungsbereich Erdung und die Ausgangsspannung kann auch mit der Masse schwingen, selbst bei einer Einzelversorgung.

Merkmale

  • Betriebsversorgungsspannung: bis zu 36 V
  • Intern integrierte Frequenzkompensation
  • Große DC-Spannungsverstärkung: 100 dB
  • Große Bandbreite (Verstärkungsfaktor Eins): 1,2 MHz (temperaturkompensiert)
  • Sehr niedriger Versorgungsstrom/Verstärker, grundsätzlich unabhängig von der Versorgungsspannung
  • Niedriger Eingangsruhestrom: 20 nA (temperaturkompensiert)
  • Niedriger Eingangs-Offsetstrom: 2 nA
  • Eingangsgleichtaktspannungsbereich umfasst die negative Schiene
  • Differential-Eingangsspannungsbereich entspricht der Versorgungsspannung
  • Großer Ausgangsspannungshub von 0 V bis VCC -1,5 V

Applikationen

  • Telekommunikationsanlagen
  • Leistungsmanagement
  • Industrieapplikation
  • Fahrzeuganwendungen

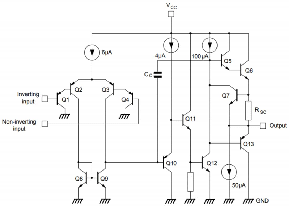
Schaltplan

Schaltplan - STMicroelectronics LM2904B Dual-Operationsverstärker mit geringem Stromverbrauch
Veröffentlichungsdatum: 2021-07-27 | Aktualisiert: 2022-03-11