STMicroelectronics CLT01-38SQ7 Digitale Hochgeschwindigkeits-Eingangsstrombegrenzer
Die STMicroelectronics CLT01-38SQ7 digitalen Hochgeschwindigkeits-Eingangstrombegrenzer bieten Schutz für digitale Eingangsanschlüsse mit 8 Leitungen und serialisierter Zustandsübertragung. Der CLT01-38SQ7 reduziert die Verlustleistung (78mW pro Eingang) und verringert die Anzahl Opto-Transistoren und verbessert somit die I/O-Moduldichte. Der periphere 6,25MHz SPI-Ausgang serialisiert die Übertragung des Eingangszustands zum I/O-Modulcontroller.Merkmale
- 8 inputs - 8-bit SPI output
- High side input with common ground
- 5V Voltage regulator
- QFN 7x7 - 48L package
- 30V reverse polarity capable
- Adjustable current limiters
- LED output for visual status
- Optional 16-bit mode with parity check, temperature and voltage alarms
- Daisy chain capable
- 78mW per channel power dissipation
Applikationen
- Programmable logic controller and remote input modules
- High speed protected termination for digital input with serialized SPI output
- IEC61131-2 type 1, 2 and 3
- Compliant with EN60947-5-2
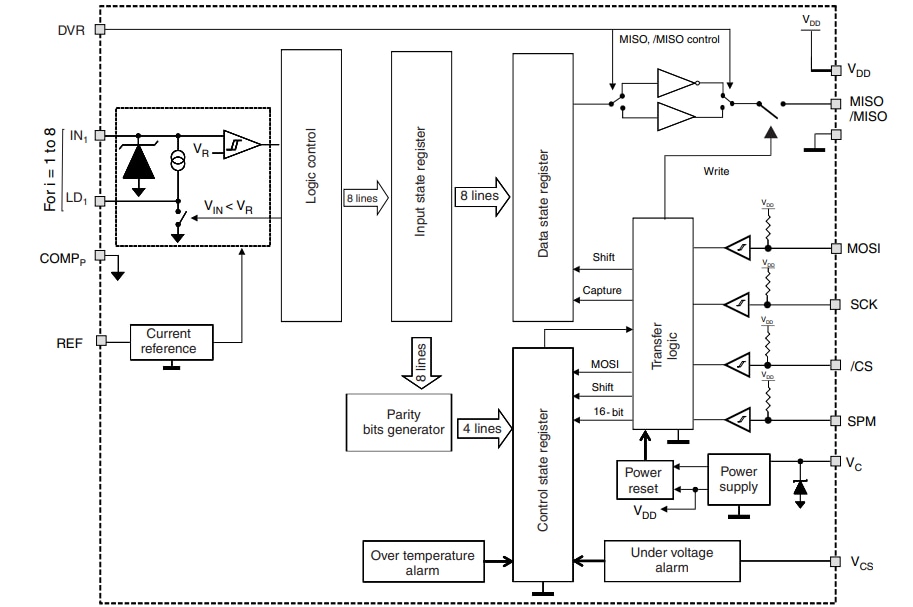
Block Diagram
Veröffentlichungsdatum: 2015-11-10
| Aktualisiert: 2022-03-11
