STMicroelectronics Automotive-Audio-Leistungsverstärker der Klasse D
STMicroelectronics Automotive-Audio-Leistungsverstärker der Klasse D sind digitale Eingangsverstärker mit Bipolar-CMOS-DMOS-Technologie (BCD), die für Automotive-Audio-Applikationen ausgelegt sind. Die Audioverstärker der Klasse D verfügen über einen großen Betriebsbereich, einen ESD-Schutz, eine AEC-Q100-Qualifizierung sowie eine 2 Ω und 1 Ω Lastantriebsleistung. Diese Audioverstärker sind in Einzelbrücken und Vierbrücken-Konfigurationen erhältlich. Die Audioverstärker der Klasse D setzen I2S- und digitale Zeitmultiplexverfahren-Eingänge (TDM) ein. Diese Audioverstärker enthalten einen leistungsstarken D/A-Wandler, der den Wirkungsgrad steigert. Die Audioverstärker der Klasse D enthalten eine Feedback-Schleife mit einem Ausgangs-L-C-Tiefpassfilter, der für eine hervorragende Übertragungsbereichslinearität und eine geringere Verzerrung sorgt. Diese Verstärker werden in der Standard-Einzel-DIN-Autoradiobox zusammen mit dem Tuner, den Rausch- und Tongeneratoren, der Telematik und dem E-Call verwendet.Merkmale
- Integrierte 108-/110dB-D/A-Umwandlung
- Voller I2C-Busantrieb
- Ausgangs-Tiefpassfilter sind im Feedback enthalten
- Clipping-Detektor
- Eingangs-Abtastfrequenzen von 44,1 kHz, 48 kHz, 96 kHz, 192 kHz
- ESD-Schutz
- Lastantriebsleistung von 2 Ω und 1 Ω
- AEC-Q100-qualifiziert
Technische Daten
- FDA801B und FDA801:
- 3,3 V/1,8 V I2S oder digitaler TDM-Eingang
- Hohe Ausgangsleistung von 28 W/4 Ω bei Vd = 14,4 V, THD = 10 %
- Gehäuse der Bauart LQFP64 Exposed Pad Up
- FDA803D und FDA903D:
- 4-/8-/16-Kanal-I2S und digitaler TDM-Eingang
- Hohe Ausgangsleistung von 1 x 25 W/4 Ω bei Vd = 14,4 V, THD = 1 %
- Hohe Ausgangsleistung von 1 x 30 W/4 Ω bei Vd = 14,4 V, THD = 10 %
- Gehäuse der Bauart PowerSSO-36 Exposed Pad Down
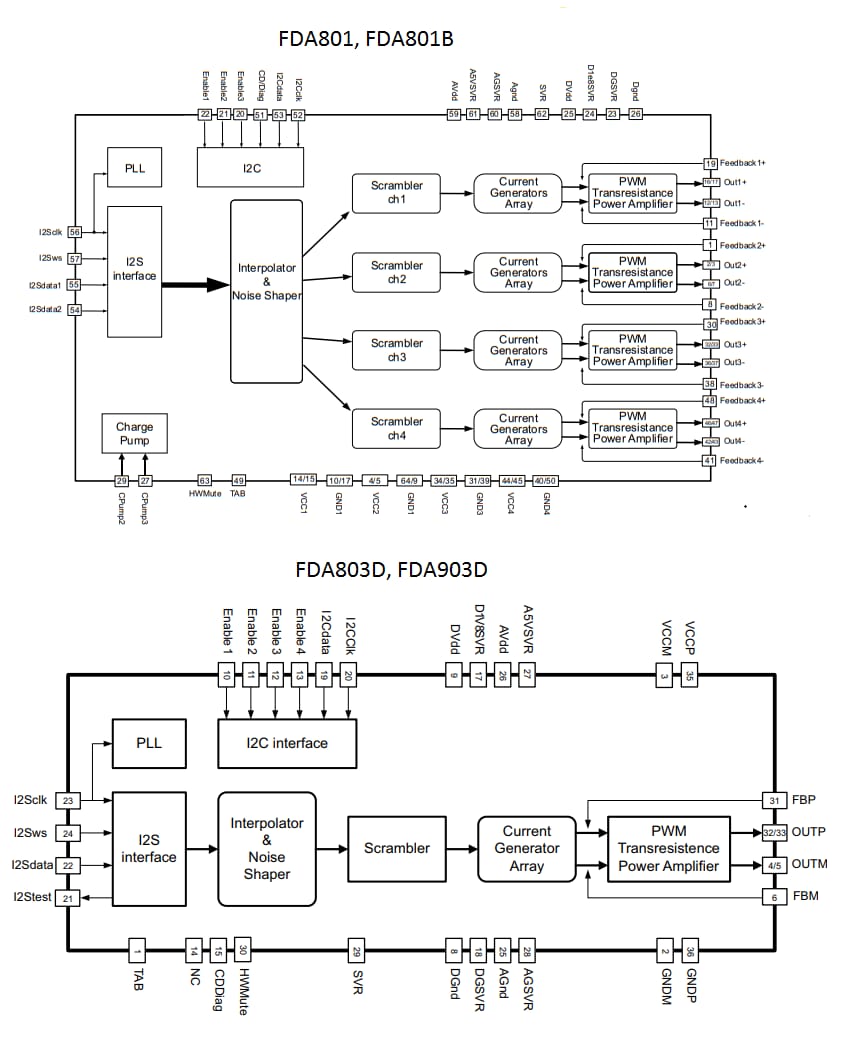
Verstärker der Klasse D Blockdiagramm
Veröffentlichungsdatum: 2018-06-17
| Aktualisiert: 2025-01-09
