Sensirion SGP41 CMOSens®/MOXSens® Digitaler Luftqualitätssensor
Sensirion SGP41 CMOSens®/MOXSens® Digitaler Luftqualitätssensor ist ein komplettes, einfach zu bedienendes Sensorsystem auf einem einzigen Chip mit einer digitalenI2C-Schnittstelleund temperaturgesteuerten Mikro-Heizplatten, das ein VOC- und ein NOx-basiertes Raumluftsignal liefert. Das Sensorelement und der Gasindex-Algorithmus zeichnen sich durch eine hohe Robustheit gegenüber verunreinigenden Gasen aus, wie sie in Luftqualitätsapplikationen vorkommen, und ermöglichen eine einzigartige Langzeitstabilität und geringe Drift. Mit einer Größe von 2,44 mm2 x 0,85 mm ermöglicht der Gassensor im DFN-Gehäuse Applikationen auf begrenztem Raum. Der Sensirion SGP41 CMOSens®/MOXSens® Digitaler Luftqualitätssensor ist für die einfache Integration in Luftreiniger oder bedarfsgesteuerte Lüftungsanlagen konzipiert.Merkmale
- MOx-basierter Gassensor für Luftqualitätsapplikationen
- Langzeitstabilität und Lebensdauer (>10 Jahre)
- I2C-Schnittstellemit digitalen Ausgangssignalen
- Kleines 6-poliges DFN-Gehäuse mit den Abmessungen 2,44 mm2 x 0,85 mm
- Geringe Leistungsaufnahme von 3,2 mA bei 3,3 V
- Reflow-lötbar
Applikationen
- Bedarfsgesteuerte Lüftungssysteme
- Luftreiniger
- Luftaustauscheinheiten
- Dunstabzugshauben
Technische Daten
- Leistung
- Ausgangssignalbereich
- 500 VOC- undNOx-Indexpunkte
- 65.535 Ticks, digitaler Rohwert
- Messungsbereiche
- 0 bis 1.000.000ppb Ethanol in reiner Luft, 500ppb bis 10.000ppb angegeben
- 0 bis 10.000ppb NO2 in sauberer Luft, 50ppb bis 650ppb angegeben
- Gerät-zu-Gerät-Abweichung
- <±15 VOC-Indexpunkte
- <±50NOx-Indexpunkte
- Wiederholgenauigkeit
- <±5 VOC-Indexpunkte
- <±10NOx-Indexpunkte
- 0,5s bis 10s Abtastintervallbereich
- Ausgangssignalbereich
- Elektrisch
- 1,7 V bis 3,6 V Versorgungsspannungsbereich
- 105 µA maximaler Ruhestrom
- 3,2 mA bis 6,9 mA Betrieb Versorgungsstrombereich
- Timing
- 0,6 ms maximale Einschalt- und Soft-Reset-Zeit, 0,4 ms typisch
- 400 kHz SCL Taktgeber-Frequenz
- Temperaturbereiche
- -10 °C bis +50 °C Betrieb
- +5 °C bis +30 °C Speicher
- Relative Luftfeuchtigkeit
- 0 bis 90 % Betrieb
- 0 bis 80 % Speicher
Videos
Blockdiagramm
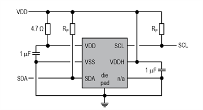
Applikations-Schaltung
Veröffentlichungsdatum: 2021-10-21
| Aktualisiert: 2023-03-27
