Renesas Electronics ISL2853x & ISL2863x 5V Instrumentation Amplifiers
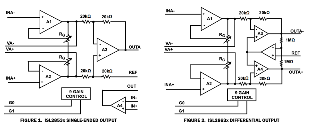
Renesas / Intersil ISL2853x and ISL2863x 5V Instrumentation Amplifiers are zero-drift rail-to-rail input/output programmable gain instrumentation amplifiers (PGIA). These instrumentation amplifiers feature low offset, low noise, low gain error, and high CMRR. They are ideal for high-precision applications over the wide industrial temperature range. These Instrumentation Amplifiers are designed with a unique 2-bit, 3-state logic interface that allows up to 9 selectable gain settings. The ISL2853x single-ended output includes an additional uncommitted zero-drift amplifier, useful to buffer the REF input or used as a precision amplifier. The ISL2863x differential output amplifier includes a reference pin to set the common-mode output voltage to interface with differential input ADCs.Features
- Ultra-high precision front end amplifier
- Zero drift instrumentation amplifier
- G = 1 to 1,000 pin selectable 9 gain settings
- Rail-to-Rail Input/output
- Single-ended output (ISL28533, ISL28534, ISL28535)
- Differential output (ISL28633, ISL28634, ISL28635)
- RFI filtered inputs improve EMI rejection
- 2.5V to 5.5V single supply
- ±1.25V to ±2.75V dual supply
- 5μV, Max low input offset
- 50nV/°C, Max low input offset drift
- High CMRR: 138dB, G = 100
- <0.4%, All Gains, Max low gain error
- 2.3MHz Gain Bandwidth
- 0.4μVP-P input voltage noise (0.1Hz to 10Hz)
- -40°C to +125°C operating temperature range
Applications
- Pressure and strain gauge transducers
- Weight scales
- Flow sensors
- Biometric ECG/blood glucose
- Temperature sensors
- Test and measurement
- Data acquisition systems
- Low ohmic current sense
Output Diagrams
Veröffentlichungsdatum: 2014-01-16
| Aktualisiert: 2022-03-11
