onsemi NL27WZ125 Dreistufige Dual-Buffer mit niedriger Freigabe
Die dreistufigen Dual-Buffer NL27WZ125 mit niedriger Freigabe von onsemi sind MiniGate™ nicht-invertierende Hochleistungs-Dual-Buffer, die mit 1,65 V bis 5,5 V betrieben werden. Diese Bauteile bieten einen statischen Versorgungsstrom von nahezu Null, wodurch die Systemleistungsanforderungen erheblich reduziert werden. Da der NL27WZ125 von onsemi in einer dreistufigen Konfiguration betrieben werden kann, ist er besonders nützlich in Applikationen, bei denen mehrere Bauteile die gleichen Signalleitungen teilen. Die Dual-Buffer sind in US8-, UDFN8- und UQFN8-Gehäusen erhältlich.Merkmale
- Für den Betrieb mit 1,65 V bis 5,5 V VCC konzipiert
- 2,4 ns tPD bei VCC = 5 V (typisch)
- Ein-/Ausgangs-Überspannungstoleranz bis zu 5,5 V
- IOFF unterstützt einen teilweisen Abschaltschutz
- 24 mA Quelle/Senke bei 3,0 V
- ±100 mA Latch-Up-Leistung
- -55 °C bis +125 °C Betriebstemperaturbereich
- Erhältlich in US8-, UDFN8- und UQFN8-Gehäusen
- Chip-Komplexität <100 FETs
- Statischer Versorgungsstrom von nahezu Null reduziert die Systemleistungsanforderungen erheblich
- Dreistufiger OE-Eingang ist aktiv-niedrig
- Feuchteempfindlichkeit (MSL) 1
- UL 94V-0 Brennbarkeitsklasse
- -Q-Suffix für Fahrzeuganwendungen und andere Applikationen mit besonderen Platz- und Steueränderungsanforderungen, AEC-Q100-qualifiziert und PPAP-fähig
- Bleifrei, Halogenfrei / BFR-frei und RoHS-konform
Applikationen
- Bus-Treiber
- Datenisolierung
- Signalpuffer
- Steuerlogik
- Pegelverschiebung
- Fan-Out-Applikationen
- Speicherapplikationen
- Mikrocontroller-Schnittstellen
- LED-Treiber
Logiksymbol
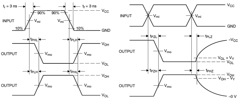
Schaltwellenformen
Veröffentlichungsdatum: 2024-10-25
| Aktualisiert: 2024-12-09
