onsemi NCP1362 Primärseitige PWM-Controller

Onsemi NCP1362 primärseitige PWM-Controller bieten einen hochintegrierten primärseitigen Quasi-Resonanz-Flyback-Controller, der robuste, leistungsstarke Offline-Netzteile steuert. Der NCP1362 implementiert die neuartige Methode und reserviert die sekundäre Rückkopplungsschaltung für eine Konstantspannungs- und Konstantstromregelung. Diese Funktion ermöglicht eine hervorragende Leitungs- und Lastregelung ohne einen herkömmlichen Optokoppler und eine TL431 Spannungsreferenz.

Die NCP1362 Controller von onsemi bieten einen hohen Wirkungsgrad bei Betrieb im Quasi-Resonanz-Spitzenstrommodus-Steuermodus bei hoher Last. Wenn sich die Leistung auf der Sekundärseite verringert, passt der Controller das Tastverhältnis automatisch an. Anschließend wechselt der Controller bei einer niedrigeren Last mit einer Valley-Schaltungserkennung in die Pulsfrequenzmodulation bei einem festen Spitzenstrom. Diese Technik hält die Ausgangsregelung mit einer winzigen Blindlast aufrecht. Valley-Sperrung in den ersten vier Tälern verhindert einen Valley-Sprungbetrieb und eine Valley-Schaltung bei niedriger Last bietet einen hohen Wirkungsgrad.

Merkmale

  • Primärseitige Konstantspannungsregelung < ±5 %
  • Primärseitige Konstantstromregelung < ±5 %
  • LFF- und BO-Feature auf einem dedizierten Pin:
    • BO-Erkennung
    • LFF für Verbesserung der CC-Regelung
  • Optimierter Wirkungsgrad bei geringer Last und Standby-Leistung
  • Maximale Frequenzklemme (keine Klemme, 80 kHz, 110 kHz und 140 kHz)
  • Zyklus-für-Zyklus-Spitzenstrombegrenzung
  • Ausgangsspannungs-Unterspannungs- und Überspannungsschutz (UVP oder OVP)
  • Quasi-Resonanz mit Valley-Schaltbetrieb
  • Sekundärdioden- oder Wicklungs-Kurzschlussschutz
  • Großer VCC -Betriebsbereich (bis zu 28 V)
  • Geringer Einschaltstrom
  • CS und VS/ZCD Kurzschluss- und Unterbrechungsschutz der Pins
  • Interne Temperaturabschaltung
  • Interner und Festfrequenz-Jitter für bessere EMI-Signatur
  • Zweifach eingefrorener Spitzenstrom zur Optimierung des Wirkungsgrads bei geringer Last (10 % Last) und der Standby-Leistung (Nulllast)
  • Fehlereingang für schwere Fehlerbedingungen, NTC-kompatibel für OTP
  • Bleifreie Bauteile

Applikationen

  • Stromsparende AC/DC-Adapter für Router und Set-Top-Box
  • Stromsparende AC/DC-Adapter für Ladegeräte

Gehäusetyp

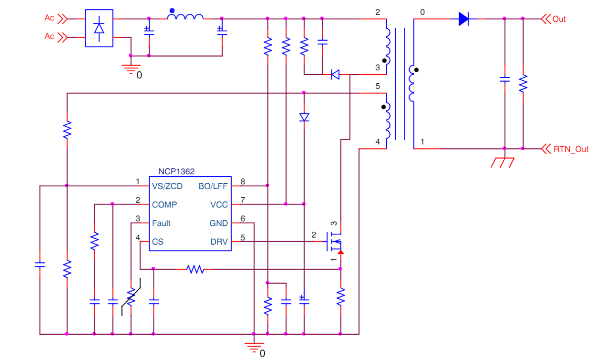
Schaltungsanordnung - onsemi NCP1362 Primärseitige PWM-Controller

Typischer Applikationsschaltplan für AC-Eingangsspannung

Schaltplan - onsemi NCP1362 Primärseitige PWM-Controller

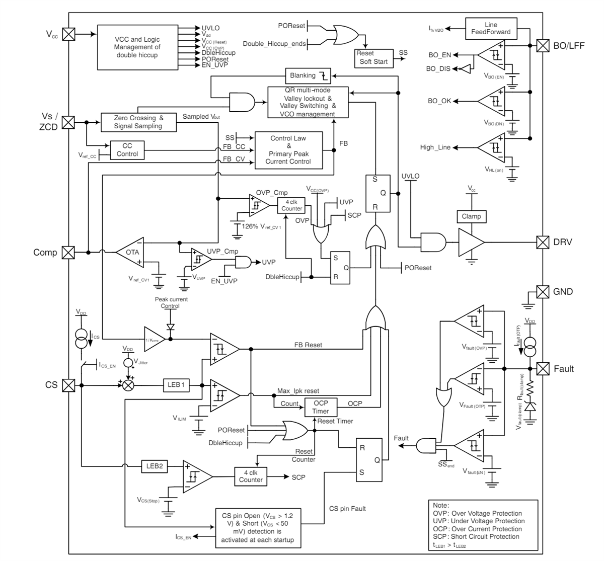
Funktionales Blockdiagramm

Blockdiagramm - onsemi NCP1362 Primärseitige PWM-Controller
Veröffentlichungsdatum: 2024-05-17 | Aktualisiert: 2024-06-07