onsemi NCP1345 Quasi-Resonanz-Flyback-Regler

Die Quasi-Resonanz-Flyback-Regler NCP1345 von Onsemi sind hochintegrierte Bauteile, die für leistungsstarke Offline-USB-PD- und USB Typ-C ™-Stromwandler entwickelt wurden. Der NCP1345 implementiert eine Dual-Pin-VCC-Architektur für eine direkte Verbindung zur Aux-Wicklung.− Das vereinfachte VCC-Management ermöglicht eine geringe Teileanzahl und eine höhere Leistung.

Die Quasi-Resonanz-Flyback-Regler NCP1345 von Onsemi bieten eine präzise, primärseitige Ausgangsstrombegrenzungsschaltung, die eine konstante Ausgangsstrombegrenzung unabhängig von der programmierten Ausgangsspannung oder der Nennausgangsleistung ermöglicht.

Der NCP1345 bietet mehrere wichtige Schutzoptionen, darunter eine interne Brownout-Erkennung, eine von der Eingangsspannung unabhängige maximale Ausgangsstrombegrenzung sowie einen selbsthaltenden Überspannungs- und NTC-kompatiblen Übertemperaturschutz über einen dedizierten Pin. Darüber hinaus entlädt die Leitungsentfernungserkennung die X2-Kondensatoren beim Entfernen der Leitung auf sichere Weise, was den Wechselrichter robuster macht.

Merkmale

  • Integrierte Hochspannungsanlaufschaltung mit Brownout-Erkennung
  • Integrierte X2-Kondensator-Entladefunktion
  • BreiterVCCL-Bereich von 8 V bis 38 V
  • 150 VVCCH-Pin zum Anschluss an die Hochspannungshilfswicklung
  • 36,5 VVCC-Überspannungsschutz
  • Primärseitige konstante Ausgangsstrombegrenzung
  • Abnormaler Überstromfehlerschutz zur Erkennung von Wicklungskurzschlüssen
  • Interne Temperaturabschaltung
  • Talschaltbetrieb mit Talsperre für geräuschlosen Betrieb
  • Schnelles Frequenz-Foldback zur schnellen Reduzierung der Schaltfrequenz
  • Skip-Modus mit Ausgangsspannungskompensation
  • Minimierter Stromverbrauch im Leerlauf
  • Frequenz-Jittering zur Reduzierung der EMI-Signatur
  • Selbsthaltender oder sich automatisch wiederherstellender Überlastschutz
  • Einstellbarer Überlastungsschutz
  • Feste/einstellbare Maximalfrequenzklemme
  • Defekt-Pin für schwerwiegende Fehlerzustände, NTC-kompatibel für OTP

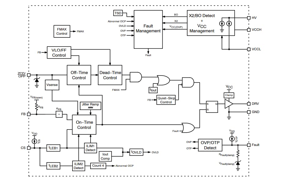
Blockdiagramm

Blockdiagramm - onsemi NCP1345 Quasi-Resonanz-Flyback-Regler

Typische Applikations-Schaltung

Applikations-Schaltungsdiagramm - onsemi NCP1345 Quasi-Resonanz-Flyback-Regler
Veröffentlichungsdatum: 2022-08-22 | Aktualisiert: 2023-04-20