onsemi NCP114 CMOS-Low-Dropout-Regler mit 300 mA
Die 300mA-CMOS-Low-Dropout-Regler NCP114 von onsemi bieten eine sehr stabile, genaue Spannung mit geringem Rauschen, die sich für rauschempfindliche Applikationen eignet. Die NCP114 Low-Dropout-Regler verwenden eine dynamische Ruhestromanpassung für einen sehr niedrigen IQ-Verbrauch bei Nulllast. Dadurch wird die Leistungsfähigkeit für batteriebetriebene tragbare Applikationen optimiert. Diese Bauteile sind in einem kompakten UDFN4- und TSOP-5-Gehäuse untergebracht und eignen sich ideal für platzsparende Designs.Merkmale
- Betriebseingangsspannungsbereich: 1,7 V bis 5,5 V
- Erhältlich in festen Spannungsoptionen: 0,75 V bis 3,6 V
- Sehr niedriger Ruhestrom von typ. 50 μA
- Standby-Stromverbrauch: typ. 0,1 μA
- Niedriger Dropout von 135 mV (typisch) bei 300 mA
- ±1 % Genauigkeit bei Raumtemperatur
- Störspannungsunterdrückung: 75 dB bei 1 kHz
- Überhitzungsschutz und Strombegrenzungsschutz
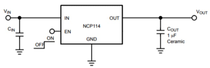
- Stabil mit 1 μF-Keramik-Ausgangskondensator
- Erhältlich in UDFN- und TSOP-Gehäusen
Applikationen
- PDAs, Handys, GPS, Smartphones
- Drahtlose Handgeräte, WLAN, Bluetooth®, Zigbee®
- Tragbare medizinische Ausrüstung
- Weitere batteriebetriebene Applikationen
Typischer Applikationsschaltplan
Veröffentlichungsdatum: 2016-09-14
| Aktualisiert: 2025-12-10
