onsemi NFAP1060L3TT Intelligente Leistungsmodule (IPM)
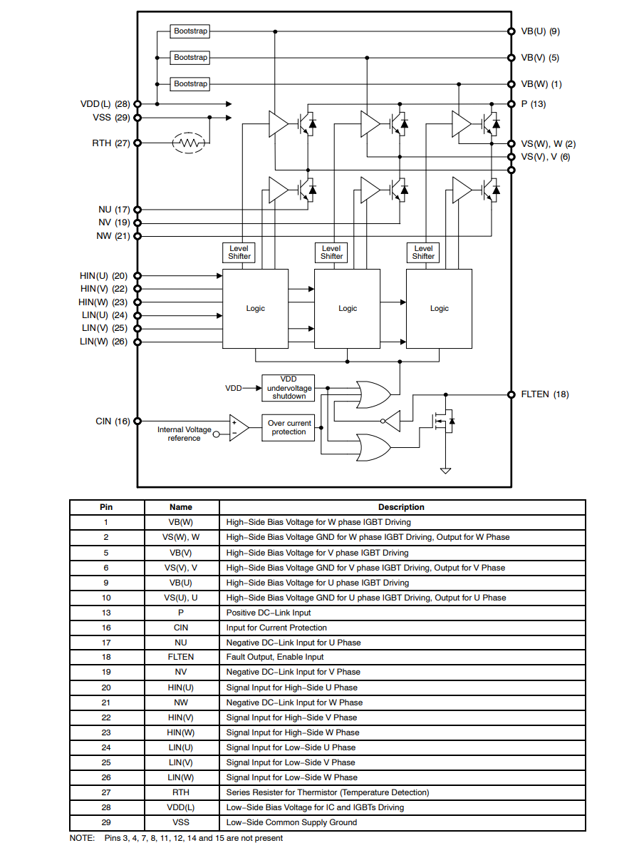
Das NFAP1060L3TT intelligente Leistungsmodul (IPM) von onsemi ist eine vollständig integrierte Umrichter-Leistungsstufe. Das NFAP1060L3TT besteht aus einem Hochspannungstreiber, sechs IGBTs und einem Thermistor und eignet sich für den Antrieb von Permanentmagnet-Synchronmotoren (PMSM), bürstenlosen DC-Motoren (BLDC) und asynchronen AC-Motoren. Das Bauteil verfügt über eine vollständige Auswahl von Schutzfunktionen einschließlich Querleitungsschutz, externe Abschaltung und Unterspannungssperre. Ein interner Komparator und eine Referenz, die mit der Überstromschutzschaltung verbunden sind, ermöglichen die Einstellung der Überstromschutzstufe.Merkmale
- 10-A-/600-V-3-Phasen-IGBT-Modul mit integrierten Treibern
- Kompaktes Inline-Einzelgehäuse von 44 mm x 20,9 mm
- Eingebauter Unterspannungsschutz
- Querleitungsschutz
- Einstellbare Überstromschutzstufe
- Integrierte Bootstrap-Dioden und Widerstände
- Thermistor für Substrat-Temperaturmessung
Applikationen
- Industrieantriebe
- Industriepumpen
- Industrielüfter
- Industrieautomatisierung
Funktionsdiagramm
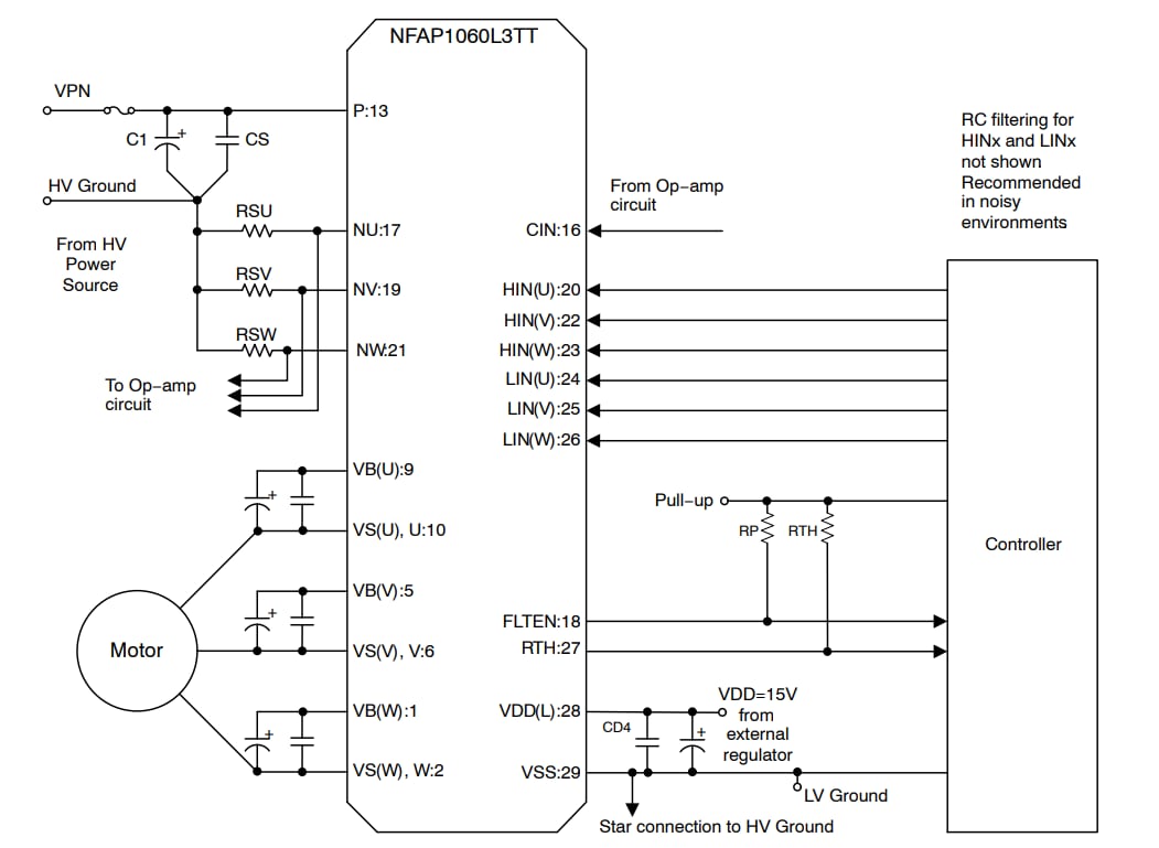
Applikations-Schaltplan
Blockdiagramm
Veröffentlichungsdatum: 2019-04-30
| Aktualisiert: 2025-12-18
