onsemi SECO-RSL10-CAM-GEVB RSL10 Smart-Shot-Kamera
Die SECO-RSL10-CAM-GEVB RSL10 Smart-Short-Kamera von onsemi ist eine vollständige Knoten-zu-Cloud-Plattform, die eine Smart-Bilderfassung für eine große Auswahl von Applikationen ermöglicht.Diese Kamera basiert auf dem RSL10 SIP- und ARX3A0 CMOS-Bildsensor und verfügt über mehrere Auslösemodi, einschließlich Zeit-, Bewegungserkennungs- und Umgebungssensor-Auslöser. Das RSL10 SIP dient als Verarbeitungs-Hub der Kamera und ermöglicht eine Bluetooth® Low Energy-Konnektivität von erfassten Bild- und Sensordaten zur mitgelieferten mobilen App. Diese App bietet Entwicklern Zugriff auf eine große Auswahl von Funktionen, einschließlich Cloud-Konnektivität, Fernkonfiguration von Sensoren und ändert die Auslösemodi für die Bilderfassung.Diese Plattform verfügt über das ARX3A0 Mono-65°-DFOV-IAS-Modul, das ein kompakter Design-Formfaktor ist, der für die Entwicklung von kompakten Kameras verwendet wird. Die Kamera bietet eine Mono-Bildgebung von 360 fps, die auf dem ARX3A0 CMOS-Bildsensor basiert. Der stromsparende Betrieb des RSL10 SIP und ARX3A0 wird durch einen dedizierten NCP6925 Leistungsmanagement-IC (PMIC) (NCP6925) und zusätzliche Smart-Leistungsmanagement-Modi ergänzt. Diese Smart-Shot-Kamera ist ein tragbares Gerät, das einen beispiellosen extrem geringen Stromverbrauch, eine Batterielaufzeit von mehr als einem Jahr und mehrere Stromversorgungsoptionen bietet. Zu den typischen Applikationen gehören Asset-Überwachung, Sicherheit, Smart-Landwirtschaft und Kriterien-basierte Überwachung.
Merkmale
- Unterstützt mehrere Bilderfassungs-Auslösemodi:
- Periodisch (Intervalle von 1 Sekunde bis 1 Minute)
- Ununterbrochener Video-ähnlicher Stream mit weniger als 1 Bild/s auf BLE5.0 und höher auf kompatiblen mobilen Geräten
- Näherungserkennung
- Beschleunigungsauslöser
- Umgebungsänderungsauslöser
- Bluetooth Low Energy-Konnektivität (Bluetooth 5) wird vom RSL10 SIP aktiviert:
- Firmware-Over-The-Air-Aktualisierungen (FOTA)
- Beispielloser extrem geringer Stromverbrauch (Standby- und Aktivmodus) für eine Batterielaufzeit von mehr als einem Jahr
- Mehrere Stromversorgungsoptionen (USB oder wiederaufladbare Li-Ionen-Batterien)
- Tragbare Geräte
- Kleine Baugröße (55 mm x 65 mm)
- Fortschrittliche 360-fps-Bildgebung durch das ARX3A0 Mono-65°-DFOV-IAS-Modul
- Hohe Empfindlichkeit bei sowohl sichtbarer als auch NIR-Wellenlänge
- Extrem geringer Stromverbrauch (3,2 mW)
- 1/10-Sensor für superkompaktes Modul
- Automatische Belichtung während der Bildverarbeitung aktiviert
- RSL10 Smart-Shot-Mobil-App (GooglePlay™) (iOS®):
- Cloud-Konnektivität zu Amazon-Webdiensten (Amazon Rekognition)
- Bildanalyse-/KI-Engine zur Erkennung und Identifizierung von Objekten innerhalb eines Bildes
- Mehrere Auslösefunktionen für verschiedene Anwendungsfälle
Applikationen
- Asset-Überwachung
- Sicherheit
- Smart-Landwirtschaft
- Kriterien-basierte Überwachung
Videos
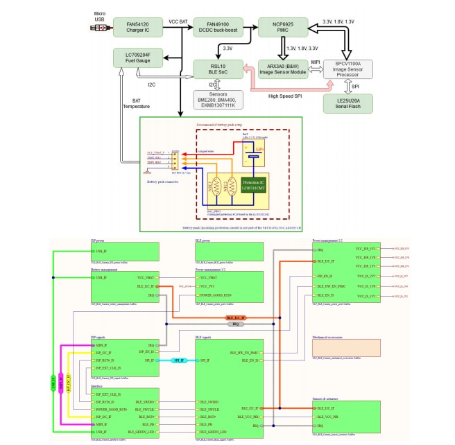
RSL10 Smart-Shot-Kamerasystem-Architektur
