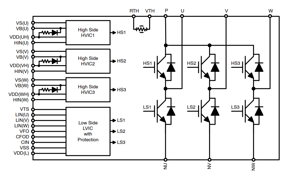
Die vollständig integrierten Inverter-Leistungsmodule bestehen aus einem unabhängigen High-Side-Gate-Treiber, LVIC, sechs IGBTs und einem Temperatursensor (VTS oder Thermistor (T)). Die sechs IGBTs werden für eine maximale Flexibilität bei der Wahl des Regelalgorithmus in einer Dreiphasen-Brücke mit separaten Emitterverbindungen für die unteren Abschnitte konfiguriert. Die integrierte Hochgeschwindigkeits-HVIC benötigt nur eine Versorgungsspannung und wandelt die eingehenden Logikebenen-Gate-Eingänge in Hochspannungs-, Hochstromantriebssignale um, die für den entsprechenden Antrieb der internen IGBTs des Moduls notwendig sind.
Merkmale
- Dreiphasen-IGBT-Module mit 650 V, 30 A/50 A und unabhängigen Treibern
- Aktive Logikschnittstelle
- Integrierter Unterspannungsschutz (UVP)
- Integrierte Bootstrap-Dioden und Widerstände
- Separate Low-Side-IGBT-Emitter-Verbindungen für die individuelle Strommessung jeder Phase
- Temperatursensor (VTS oder Thermistor (T))
- UL: E339285
- Bleifrei
Applikationen
- Industrieantriebe
- Industriepumpen
- Industrielüfter
- Industrieautomatisierung
Applikations-Schaltplan
Veröffentlichungsdatum: 2019-11-07
| Aktualisiert: 2025-06-16

