ON Semiconductor NBVSBAXXX Series PureEdge™ VCX-Oszillator
ON Semiconductor NBVSBAXXX Series PureEdge™ VCX-Oszillator

Produktliste anzeigen

Weitere Ressourcen

ON Semiconductor
PureEdge™ Schwingquarze

Die NBXSBx024, NBXSBA025 und NBVSBAXXX sind PureEdgeSchwingquarz-Bauteile (XO), die gemäß den heutigen Anforderungen an 2,5V/3,3V LVPECL Taktgenerator-Anwendungen konzipiert sind. ON Semiconductor NBVSBAXXX spannungskontrollierte Schwingquarze (VCXO) verwenden eine Grundmode-Quarz mit hoher Güte und einen (PLL-) Phasenregelschleifen-Multiplizierer, um einen großen Frequenzbereich von 60MHz bis 700MHz (konfigurierbar ab Werk nach Benutzerspezifikationen) mit einem Ziehbarkeitsbereich von ±100ppm und einer Frequenzstabilität von ±50ppm zu bieten. Die NBXSBX024 Einfachfrequenz-Schwingquarze verwenden eine Grundmode-Quarz mit hoher Güte und (PLL-) Phasenregelschleifen-Multiplizierer, um 622,08MHz zu leisten, sehr niedrigen Jitter und einen differentiellen Ausgang für Phasengeräusch LVPECL zu produzieren. Die NBXSBA025 Einkanal-XO leisten 425,00MHz. Der ON Semiconductor NB3N65027 LVCMOS PLL−synthetisierte Taktgenerator akzeptiert als Bezugsquelle einen 10MHz bis 27MHz Takt oder grundlegendes Modus-Quarz, und treibt drei unabhängige, niedrige Phasenregelschleifen (PLLs) an.

Merkmale
  • LVPECL differentieller Ausgang
  • Spannungskontrolle mit positivem Gefälle
  • Verwendet eine Grundkonstruktion aus Quarz mit hohem Q-Faktor
  • Hermetisch abgedichtetes SMD-Paket
  • Bleifrei und RoHS-konform
Technische Daten
  • Betriebsbereich: 2,5V ±5%, 3,3V ±10%
  • Sehr geringer Jitter/Phasengeräusch: −0,5ps (12kHz − 20MHz)
  • Ziehbarkeitsbereich (min.): ±100ppm
  • Frequenzstabilität: ±50ppm
  • Spannungskontroll-Linearität: ±10%
Anwendungsbereiche
  • Networking
  • SONET
  • 10 Gigabit-Ethernet
  • Networking-Basisstationen
  • Radio und TV
Teilenummer Maximale Ausgangsfrequenz (MHz)
NBVSBA017LN1TAG 156.25
NBVSBA018LN1TAG 155.52
NBVSBA018LNHTAG 155.52
NBVSBA024LN1TAG 622.08
NBVSBA024LNHTAG 622.08
NBVSPA018LNHTAG 155.52
NBXSBA045LN1TAG 345
NBXMBA024LN1TAG 622.08
NBXMBA024LNHTAG 622.08
NBXSBA024LN1TAG 622.08
NBXSBA024LNHTAG 622.08
NBXSBA025LN1TAG 425
NBXSBA025LNHTAG 425
NBXSBA030LN1TAG 175
NBXSBA030LNHTAG 175
NBXSBA031LN1TAG 340
NBXSBA031LNHTAG 340
NBXSBA045LNHTAG 345
NBXSBA046LN1TAG 172.5
NBXSBA046LNHTAG 172.5
NB3N65027DTR2G 133.33
NBVSBA011LN1TAG 122.88
NBVSBA011LNHTAG 122.88
NBVSBA026LN1TAG 644.53
NBVSBA026LNHTAG 644.53
NBVSPA015LN1TAG 200
NBVSPA015LNHTAG 200
NBVSPA024LN1TAG 160
NBVSPA024LNHTAG 160

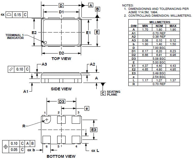
Gehäuseabmessungen in mm

Gehäuseabmessungen
  • ON Semiconductor
  • Audio|Medical|Wireless
  • Semiconductors|Integrated Circuits|IC-Clock & Timer
Veröffentlichungsdatum: 2018-11-08 | Aktualisiert: 2018-11-08