Nexperia PESD2CANFD2x-Qx CAN-FD ESD-Schutzdioden
Nexperia PESD2CANFDx-Qx CAN-FD-ESD-Schutzdioden sind unbedrahtete, AEC-Q101-qualifizierte, 0,48 mm hohe Gehäuse, die seitenbenetzbare Flanken für die automatische optische Inspektion während der Produktion bieten. Die QC-Komponenten sind in einem 1,4 mm x 1,2 mm großen DFN1412D-3-Gehäuse (SOT8009) untergebracht, während die QB-Bauteile in einer Größe von 1,1 mm x 1 mm DFN1110D-3 (SOT8015) erhältlich sind. Die Gehäuse verfügen über einen vergrößerten internen Leiterrahmen für die Wärmeableitung und enthalten einen Kühlkörper und ein Wärme-Pad. Die PESD2CANFDx-Qx-Baureihe bietet 33 V Klemmspannung bei 1 A, einen niedrigen dynamischen Widerstand von 0,7 Ω und günstige HF-Schaltparameter mit einer Mischmodus-Einfügungsdämpfung von +20 dB bei 300 MHz für hervorragende Signalqualität.Die Bauteile erfüllen die CAN-FD-Spezifikationsanforderungen und übertreffen die Anforderungen von AEC-Q101.Die PESD2CANFDx-Qx CAN-FD ESD-Schutzdioden von Nexperia sind optimal für den Schutz von CAN-, CAN-FD-, FlexRay- und SENT-Schnittstellen in Fahrzeugumgebungen geeignet.Merkmale
- 0,48 mm hohe Gehäuse mit seitenbenetzbaren Flanken
- 3,3 V Klemmspannung bei 1 A
- 0,7 Ω dynamischer Widerstand
- +20 dB Mischmodus-Einfügungsdämpfung bei 300 MHz
- Der interne Leiterrahmen umfasst einen Kühlkörper und ein Wärme-Pad
- Erfüllt die CAN-FD-Spezifikationsanforderungen
- AEC-Q101-qualifiziert
Applikationen
- Fahrzeuginterne Netzwerkleitungen in Automotive-Umgebungen
- CAN-FD
- CAN
- FlexRay
- SENT
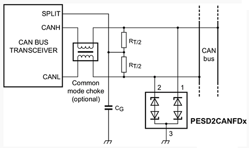
Applikations-Schaltung – Diagramm
Veröffentlichungsdatum: 2020-12-03
| Aktualisiert: 2025-11-20
