Monolithic Power Systems (MPS) MP8760 Voltage Regulator

MPS MP8760 voltage regulator is a fully-integrated, high frequency, synchronous, rectified, step-down, switch-mode converter. It offers a very compact solution to achieve a 6A output current over a wide input-supply range with excellent load and line regulation. The MP8760 operates at high efficiency over a wide output-current load range. MPS MP8760 uses Constant-On-Time (COT) control mode to provide fast transient response and ease loop stabilization. An external resistor programs the operating frequency from 200kHz to 1MHz. The frequency stays nearly constant as the input supply varies with the feed-forward compensation. The default under voltage lockout threshold is 4.1V, but a resistor network on the enable pin can increase this threshold.

The soft start pin controls the output voltage startup ramp. An open drain power good signal indicates that the output is within nominal voltage range. It has full integrated protection features that include over-current protection, over-voltage protection and thermal shutdown. The MPS MP8760 voltage regulator is available in a 3mm×4mm QFN package, and requires a minimal number of readily-available components.

Features

  • 2.5V to 5V operating input range with external 5V bias
  • 4.5V to 18V operating input range with internal bias
  • 6A output current
  • Low RDS(ON) internal power MOSFETs
  • Proprietary switching-loss-reduction technique
  • Adaptive COT for ultrafast transient response
  • 1.5% reference voltage over junction temperature range (-40°C to +125°C)
  • Programmable soft-start time
  • Pre-bias start-up
  • Programmable switching frequency from 200kHz to 1MHz
  • Non-Latch OCP, OVP, and thermal shutdown
  • Output adjustable from 0.611V to 13V

Applications

  • Set-top boxes
  • XDSL modem/DSLAM
  • Small-cell base stations
  • Personal video recorders
  • Flat-panel televisions and monitors
  • Distributed power systems

Typical Appliaction

Monolithic Power Systems (MPS) MP8760 Voltage Regulator

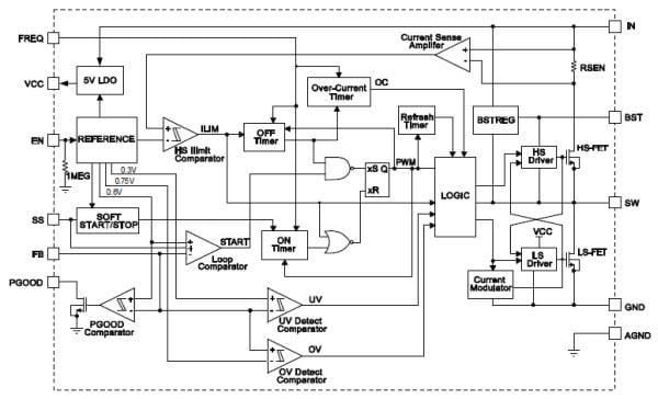
Block Diagram

Block Diagram - Monolithic Power Systems (MPS) MP8760 Voltage Regulator
Veröffentlichungsdatum: 2013-12-11 | Aktualisiert: 2022-03-11