Monolithic Power Systems (MPS) MP2330x Synchronous Buck Converters
Monolithic Power Systems (MPS) MP2330x Synchronous Buck Converters are fully integrated, high-frequency, step-down, and switch-mode converters with internal power MOSFETs. These converters use synchronous mode operation for higher efficiency over the output current load range. The MP2330x converters offer a compact solution that achieves 3A continuous output current with excellent load and line regulation over a wide input range. These converters are available in a space-saving SOT583 package. The MP2330x converters operate within a -40°C to +125°C temperature range and a 4.2V to 24V supply voltage range.The MP2330x converters provide Short-Circuit Protection (SCP), Over-Current Protection (OCP), and Under-Voltage Protection (UVP). These converters are designed with thermal shutdown and forced Pulse Width-Modulation (PWM). The MP2330x converters are ideal for use in game consoles, digital set-top boxes, flat-panel televisions and monitors, and general-purpose applications.
Features
- High-efficiency synchronous mode operation
- Fast load transient response
- Programmable soft-start time
- Power Good (PG) indication
- Over Current Protection (OCP) and hiccup
- Pre-bias start-up
- Short-Circuit Protection (SCP)
- Under-Voltage Protection (UVP)
Applications
- Game consoles
- Flat-panel television and monitors
- Digital set-top boxes
- General purposes
Specifications
- -40°C to +125°C operating temperature range
- 75mΩ/40mΩ low RDS(ON) internal power MOSFETs
- 200µA low IQ
- 800mV to 21.6V output voltage range
- 4.2V to 24V operating input voltage range
- 3A output current
- 650kHz and 1.2MHz switching frequency options
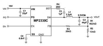
Block Diagram
Veröffentlichungsdatum: 2019-08-14
| Aktualisiert: 2025-03-14
