Microchip Technology USB2534D USB 2.0 Hochgeschwindigkeits-4-Port-Hub-Controller
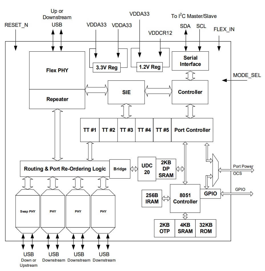
Microchip Technology USB2534D USB 2.0 Hochgeschwindigkeits-4-Port-Hub-Controller sind OEM-konfigurierbare MTT (Multi-Transaction Translator) mit erweiterten Funktionen für Intel Thunderbolt und embedded-USB-Applikationen. Der USB2534D ist vollständig konform mit der USB 2.0 Spezifikation und dem Nachtrag für USB 2.0 Link-Leistungsmanagement und verbindet sich mit einem vorgeschalteten Anschluss als Vollgeschwindigkeits-Hub oder als Voll-/Hochgeschwindigkeits-Hub. Der 4-port Hub unterstützt nachgeschaltete Full-Speed-, Low-Speed- und Hi-speed-Bauteile (wenn er als Hi-Speed-Hub betrieben wird) auf allen aktivierten Downstream-Anschlüssen.Der USB2534D von Microchip wurde speziell für Embedded-Systeme optimiert, bei denen eine Hohe Leistungsfähigkeit und minimale BOM-Kosten kritische Designbedingungen sind. Darüber hinaus sind alle erforderlichen Widerstände auf den USB-Anschlüssen, einschließlich aller Reihenanschlüsse und Pull-Up-/Pull-Down-Widerstände auf den D + — und D--Pins, in den Hub integriert.
Der USB2534D erleichtert sowohl die Erkennung von vorgeschalteten Akkuladegeräten als auch das nachgeschaltete Akkuladegerät. Die USB2534D integrierte Batterieladegerät-Erkennungsschaltung implementiert die USB-IF-Batterielade-Erkennungsmethode (BC1.2) und die meisten Apple® Bauteile. Diese Schaltungen erkennen die Befestigung und den Typ eines USB-Ladegeräts und liefern einen Interrupt-Ausgang, um anzuzeigen, dass Ladegerätinformationen über die Serielle Schnittstelle aus den Statusregistern des Bauteils gelesen werden können.
Merkmale
- 4-Port USB 2.0 Hub-Controller für Intel Thunderbolt-Anwendungen
- Unterstützung für USB-IF-Ladegerät Revision 1,2 auf vorgeschalteten und nachgeschalteten Anschlüssen (DCP, CDP, SDP)
- Batterieladeunterstützung für Apple Bauteile
- FlexConnect: Der nachgeschaltete Anschluss 1 kann mit dem vorgeschalteten Anschluss ausgetauscht werden, wodurch masterfähige Bauteile andere Bauteile auf dem Hub steuern können
- Unterstützung für USB-zu-IMAC™-Brücken-Endpunkt
- Unterstützung für USB-Link-Leistungsmanagement (LPM)
- SUSPEND-Pin für Fernweckanzeige zum Host
- Unterstützung für lieferantenspezifische Nachrichten (VSM)
- Verbesserte OEM-Konfigurationsoptionen sind über einen einzelnen seriellen IOC-EEPROM-, OTP- oder SMBus-Slave-Anschluss verfügbar
- RoHS-konformes 36-Pin-SQFN-Gehäuse (6 mm x 6 mm)
- Footprint-kompatibel mit USB2514B
Applikationen
- Docks und Monitore
- LCD-Monitore und Fernseher
- Multifunktions-USB-Peripherie
- PC-Motherboards
- Embedded-Systeme
Blockdiagramm
